GT Cellular Communicator¶
1. Description¶
The communicator is designed to transmit event messages from the control panel to the CMS (Central Monitoring Station) and the Protegus2 application.
The GT cellular communicator can be directly connected to control panels (DSC, Paradox, UTC Interlogix (CADDX), Texecom, Innerrange, Honeywell) or to a telephone communicator (which supports the Contact ID communication protocol transmitted by DTMF tones) of the control panel.
Communicator transmits full event information to the Central Monitoring Station.
Communicator also works with Protegus2 application. With Protegus2 users can control their alarm system remotely and get notifications about security system events. Protegus2 app is compatible with all security alarm panels from various manufacturers that are supported by the GT communicator. Communicator can transmit event notifications to the Central Monitoring Station and work with Protegus2 simultaneously.
1.1 Features¶
Connects to the control panel’s serial or keyboard bus or telephone line (TIP/RING).
Sends events to monitoring station receiver:
-
Sends events to TRIKDIS software or hardware receivers that work with any monitoring software.
-
Can send event messages to SIA DC-09 receivers. The annex has a table for converting Contact ID codes to SIA codes.
-
Can send event messages to SUR-GARD receivers.
-
Connection supervision by polling to IP receiver every 30 seconds (or by user defined period).
-
Backup channel, that will be used if connection with the primary channel is lost.
-
With parallel communication channel events can be sent to two receivers at same time.
-
When Protegus service is enabled, events are first delivered to CMS, and only then are sent to app users.
Works with Protegus2 app:
-
“Push” and special sound notifications informing about events.
-
Remote system Arm/Disarm.
-
Remote control of connected devices (lights, gates, ventilation systems, heating, sprinklers, etc.).
-
Different user rights for administrator, installer and user.
Notifies users:
- Users can be notified about events with Protegus2 app, SMS messages and calls.
Controllable outputs and inputs:
-
2 double I/O terminals that can be set either as input (IN) or controllable output (OUT) terminals.
-
Outputs controlled by the Protegus2 app and SMS messages.
-
Add additional inputs and controllable outputs with iO-8 expanders.
Quick setup:
-
Settings can be saved to file and quickly written to other communicators.
-
Two access levels for configuring the device for CMS administrator and for installer.
-
Remote configuration and firmware updates.
1.2 List of compatible control panels¶
| Manufacturer | Model |
|---|---|
| DSC® | PC585, PC1404, PC1565, PC1616, PC1832, PC1864, PC5020 |
| PARADOX® | SPECTRA SP4000, SP5500, SP6000, SP7000, SP65, SP5500+, SP6000+, SP7000+ |
| PARADOX® | MAGELLAN MG5000, MG5050, MG5050E, MG5075, MG5050+ |
| PARADOX® | DIGIPLEX EVO48, EVO192, EVOHD, EVOHD+ |
| PARADOX® | SPECTRA 1727, 1728, 1738 |
| PARADOX® | ESPRIT E55 |
| UTC Interlogix® | NetworX (Caddx) NX-4v2, NX-6v2, NX-8v2, NX-8e |
| Texecom® | Premier 24, 48, 88, 168, 640 / Premier Elite 12, 24, 48, 64, 88, 168, 640 |
| Innerrange® | Inception, Integriti |
| Honeywell® | Ademco Vista-15, Ademco Vista-20, Ademco Vista-48 |
Underlined - Control panels directly controlled by GT. Firmware PARADOX security panels, which are directly controlled, must be V.4 or higher.
*Other manufacturers’ control panels connect to the GT communicator via the control panel’s TIP/RING terminals (which supports the Contact ID communication protocol transmitted by DTMF tones) of the control panel.
1.3 Communicator model types¶
This manual is for 4G communicators.
1.4 Specifications¶
| Parameter | Description |
|---|---|
| Connection to the control panel | Serial bus, Keypad bus or TIP RING |
| Dual purpose terminals [IN/OUT] | 2, can be set as either NC; NO; NC/EOL; NO/EOL; NC/DEOL; NO/DEOL (2,2 kΩ) type inputs or open collector (OC) type outputs with current up to 0,15 A, 30 VDC max. Expandable with iO-8 expanders. |
| Modem EG915U-EU / (Europe) | LTE FDD: B1/B3/B5/B7/B8/B20/B28 |
| Modem EG915U-EU / (Europe) | GSM: B2/B3/B5/B8 |
| Modem EG915U-LA / (Latin America) | LTE FDD: B2/B3/B4/B5/B7/B8/B28/B66 |
| Modem EG915U-LA / (Latin America) | GSM: B2/B3/B5/B8 |
| Modem BG95-M5 (Cat M1) | LTE-FDD: B1/B2/B3/B4/B5/B8/B12/B13/B18/B19/B20/B25/B26/B27/B28/B66/B85 |
| Modem BG95-M5 (Cat M1) | EGPRS: 850/900/1800/1900 MHz |
| Power supply voltage | 10-32 V DC |
| Current consumption | 125 mA |
| Transmission protocols | TRK8, DC-09_2007, DC-09_2012, TL150 |
| Message encryption | AES 128 |
| Changing settings | With TrikdisConfig computer program remotely or locally via USB-С port |
| Operating environment | Temperature from -10 °C to 50 °C, relative humidity - up to 80% at +20 °C |
| Communicator dimensions | 92 x 62 x 26 mm |
| Weight | 80 g |
1.5 Communicator elements¶
-
Cellular antenna SMA connector
-
Light indicators
-
Frontal case opening slot
-
Terminal for external connections
-
USB-C port for communicator programming
-
„RESET” button
-
SIM card slot

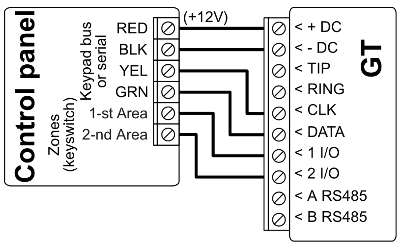
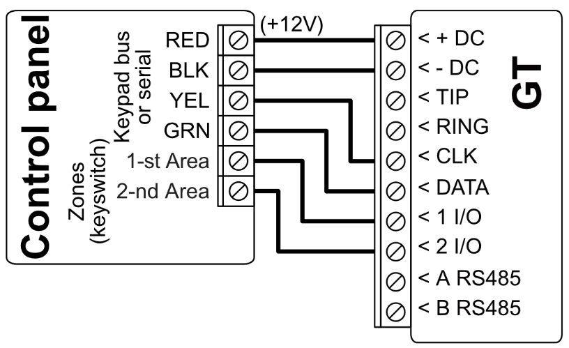
1.6 Purpose of terminals¶
| Terminal | Description |
|---|---|
| +12 VDC | +10 V/+32 V DC power supply |
| -12 VDC | 0 V DC power supply |
| TIP | Terminal to connect with security control panel TIP terminal |
| RING | Terminal to connect with security control panel RING terminal |
| CLK | Serial bus or keypad bus terminals for direct connection to control panel |
| 1 I/O | 1st input/output terminal (default setting – IN, NO circuit) |
| 2 I/O | 2nd input/output terminal (default setting – IN, NO circuit) |
| A 485 | RS485 bus A contact |
| B 485 | RS485 bus B contact |
1.7 LED indication of operation¶
| Indicator | Light status | Description |
|---|---|---|
| NETWORK | Off | No connection to cellular network |
| NETWORK | Yellow blinking | Connecting to cellular network |
| NETWORK | Green solid with yellow blinking | Communicator is connected to cellular network. / Sufficient cellular signal strength for 4G level 3 (three yellow flashes) |
| DATA | Off | No unsent events |
| DATA | Green solid | Unsent events are stored in buffer |
| DATA | Green blinking | (Configuration mode) Data is being transferred to/from communicator |
| POWER | Off | Power supply is off or disconnected |
| POWER | Green solid | Power supply is on with sufficient voltage |
| POWER | Yellow solid | Power supply voltage is insufficient (≤11.5V) |
| POWER | Green solid and yellow blinking | (Configuration mode) Communicator is ready for configuration |
| POWER | Yellow solid | (Configuration mode) No connection with computer |
| TROUBLE | Off | No operation problems |
| TROUBLE | 1 red blink | SIM card not found |
| TROUBLE | 2 red blinks | SIM card PIN code problem (incorrect PIN code) |
| TROUBLE | 3 red blinks | Programming problem (No APN) |
| TROUBLE | 4 red blinks | Registration to Cellular network problem |
| TROUBLE | 5 red blinks | Registration to GPRS/UMTS network problem |
| TROUBLE | 6 red blinks | No connection with the receiver |
| TROUBLE | 7 red blinks | Lost connection with control panel |
| TROUBLE | 8 red blinks | The entered ICCID number does not match the ICCID number of the SIM card |
| TROUBLE | Red blinking | (Configuration mode) Memory fault |
| TROUBLE | Red solid | (Configuration mode) Firmware is corrupted |
| BAND | 1 green blink | None |
| BAND | 2 green blinks | GSM |
| BAND | 3 green blinks | GPRS |
| BAND | 4 green blinks | EDGE |
| BAND | 5 green blinks | HSDPA, HSUPA, HSPA+, WCDMA |
| BAND | 6 green blinks | LTE TDD, LTE FDD |
1.8 Structural schematic with GT usage¶

Note
Before you begin, make sure that you have the necessary:
-
USB-C cable for configuration.
-
At least 4-wire cable for connecting communicator to control panel.
-
CRP2 cable for connecting to Paradox panel`s serial port.
-
Flat-head 2,5 mm screwdriver.
-
Sufficient gain cellular antenna if network coverage in the area is poor.
-
Activated SIM card (PIN code request can be turned off).
-
Particular security control panel`s installation manual.
Order the necessary components separately from your local distributor.
2. Quick configuration with TrikdisConfig software¶
-
Download TrikdisConfig configuration software from www.trikdis.com (type “TrikdisConfig” in the search field) and install it.
-
Open the casing of the GT with a flat-head screwdriver as shown below:

-
Using a USB-C cable connect the GT to the computer.
-
Run TrikdisConfig. The software will automatically recognize the connected communicator and will open a window for configuration.
-
Click Read [F4] to read the communicator’s settings. If requested, enter the Administrator or Installer 6-digit code in the pop-up window.
Below we describe what settings need to be set for the communicator to begin sending events to the Alarm Receiving Center and to allow the security system to be controlled with the Protegus2 app.
2.1 Settings for connection with Protegus2 app¶
In “Panel settings” window:

- If the communicator is connected to the TIP/RING terminals of the control panel, then you need to make the “Dual tone” setting.

The communicator is connected to the keypad bus or serial bus of the control panel.
-
Select “Security panel model” that will be connected to the communicator.
-
Select “Remote Arm/Disarm” if you want users to be able to control the panel in Protegus2 app with their keypad code. This setting is only shown for directly controlled panels.
-
For the direct control of Paradox and Texecom panels enter “Security panel PC download password”. It must match the password that is entered in the control panel.
Note
For the direct panel control to work, you will need to change the panel settings. How to do this is described in chapter 4 “Programming the control panel”. In this section you will find information on how to change the PC download/UDL password. In “User reporting” window, “PROTEGUS Cloud” tab:

-
Tick the checkbox “Enable connection” to the Protegus Cloud.
-
Change the “PROTEGUS Cloud access Code” for logging in to Protegus2 if you want users to be asked to enter it when adding the system to Protegus2 app (default password – 123456). Important: If you change the code via TrikdisConfig, you also need to change it in the Protegus2 application.
In “SIM card” window:

-
Enter “SIM card PIN” code.
-
Change APN name. APN can be found on the website of the SIM card operator (“internet” is universal and works in many operator networks).
-
Google DNS server is set by default. Regardless of IP settings, make sure the DNS addresses match those supported by your ISP.
-
Google DNS server is set by default. Regardless of IP settings, make sure the DNS addresses match those supported by your ISP.
After finishing configuration, click the button Write [F5] and disconnect the USB cable.
Note
For more information about other GT settings in TrikdisConfig, see chapter 6 „TrikdisConfig window description”.
2.2 Settings for connection with Central Monitoring Station¶
In “System settings” window:

- Enter “Object ID” (account) number provided by the Central Monitoring Station (6 characters, 0-9, A-F. Do not use FFFE, FFFF Object ID).

- If the communicator is connected to the TIP/RING terminals of the control panel, then you need to make the “Dual tone” setting.

- The communicator is connected to the keypad bus or the serial bus of control panel. Select „Security panel model” that will be connected to the communicator.
In “CMS reporting” window settings for “Primary channel”:

-
Communication type - select the IP connection method.
-
Protocol - select the protocol type for event messages: TRK8 (to TRIKDIS receivers), DC-09_2007 or DC-09_2012 (to universal receivers), TL150 (to SUR-GUARD receivers).
-
Encryption key - enter the encryption key that is set in the receiver.
-
Domain or IP - enter the receiver’s Domain or IP address.
-
Port - enter receiver’s network port number.
-
TCP or UDP - choose event transmission protocol (TCP or UDP) in which events should be sent.
-
(Recommended) Configure “Primary channel Backup” settings.
In “SIM card” window:

-
Enter “SIM card PIN” code.
-
Change the APN name. APN can be found on the website of the SIM card operator (“internet” is universal and works in many operator networks).
-
Google DNS server is set by default. Regardless of IP settings, make sure the DNS addresses match those supported by your ISP.
-
Google DNS server is set by default. Regardless of IP settings, make sure the DNS addresses match those supported by your ISP.
After finishing configuration, click Write [F5] and disconnect the USB cable.
Note
For more information about other GT settings in TrikdisConfig, see chapter 6 „TrikdisConfig window description”.
3. Installation and wiring¶
3.1 Installation process¶
-
Remove the top cover and pull out the contact terminal.
-
Insert SIM card into the holder.
-
Remove the PCB board from the bottom part of the case.
-
Fix the bottom part to a suitable place with screws.
-
Place the PCB board back into case, insert contact terminal.
-
Screw cellular antenna on.
-
Close the top cover.


Note
Ensure that the SIM card is activated. / Ensure that mobile internet service (mobile data) is enabled if connected via IP channel. / To avoid entering the PIN code in TrikdisConfig, insert the SIM card into your mobile phone and turn off the PIN request function.
3.2 Schematics for wiring the communicator to a security control panel¶
Following one of the schematics provided below, connect communicator to the control panel.




3.3 Schematic for wiring of the communicator to the keypad bus and telephone communicator (TIP/RING terminals) of the PARADOX SP/SP+/MG/MG+ control panel¶

When connecting the communicator to the keypad bus and the TIP/RING terminals of the control panel, you must make the following settings for the GT communicator:
-
Select “Dual tone”.
-
Select the control panel model “7. Paradox SP+/MG+ series KeyBus“.
-
Select “Remote Arm/Disarm” if you want users to be able to control the panel using the Protegus2 app using their own keypad code.
-
To directly control the security panel, enter the “Security panel PC download password”. It must match the password entered in the security panel.

The Paradox control panel must be programmed to transmit events to the CMS and for remote control from the Protegus2 application.
| Cell | Data | Cell | Data |
|---|---|---|---|
| 801 | ******** | 815 | 123456 |
| 811 | 1111 | 911 | 1234 |
| 812 | 2222 |
3.4 Schematic for connecting to panel keyswitch zone¶
Follow this schematic if the control panel will be armed/disarmed with a GT PGM output turning on/off the panel’s keyswitch zone.
Note
GT communicator has 2 universal input / output terminals that can be set to the OUT (PGM) operating mode. The outputs (OUT) can control two areas of the security system. If you want to control the system in this way, in TrikdisConfig, in the “System settings” window, uncheck Remote Arm/Disarm. The Protegus2 apps must be configured with the settings described in chapter 5.2 “Additional settings to arm/disarm the system using the control panel’s keyswitch zone”. The communicator is connected to the keypad bus or serial bus of the control panel. / Arming/disarming the panel via keyswitch zone.

The communicator is connected to the telephone communicator (TIP/RING terminals) of the control panel. / Arming/disarming the panel via the key switch zone.

3.5 Schematics for input connection¶
The communicator has 2 universal input / output terminals that can be set to input IN mode. NO, NC, NO / EOL, NC / EOL, NO / DEOL, NC / DEOL circuits can be connected to the input terminal. Default: 1 I/O input setting – NO; 2 I/O input setting – NO. The input type can be changed in the TrikdisConfig window IN/OUT -> Type.
Connect the input according to the selected input type (NO, NC, NO/EOL, NC/EOL, NO/DEOL, NC/DEOL), as shown in the schemes below:

Note
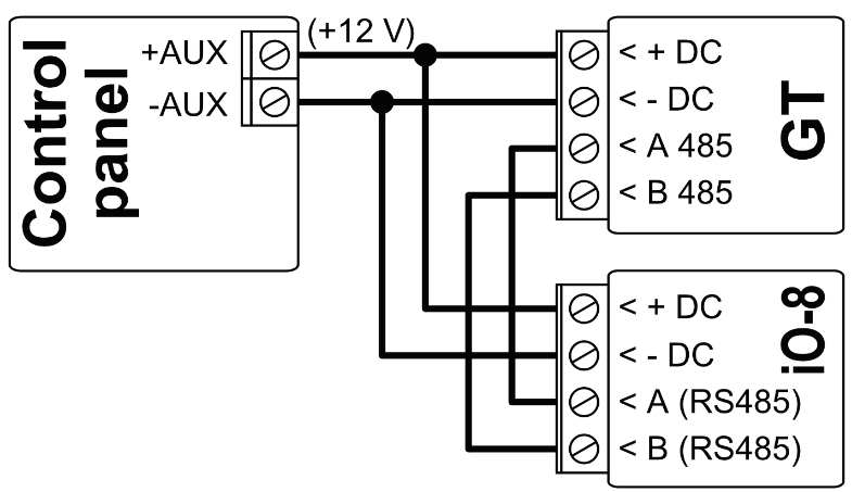
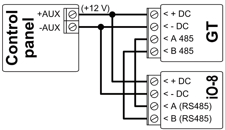
If more inputs or outputs need to be connected to the communicator, connect the TRIKDIS iO-8 expander. Connection method is described in the iO-8 manual and chapter 3.7 “Schematics for connecting iO-8 expansion modules”.
3.6 Schematic for wiring a relay¶
With relay contacts you can control (turn on/off) various electric appliances. The I/O terminal of the communicator must be set to an output (OUT) mode.

3.7 Schematics for connecting iO-8 expansion modules¶
If more inputs or outputs need to be connected to the communicator connect the TRIKDIS iO-8 expander. Configuration of expander modules connected to the GT is described in chapter 6.8. ““RS485 modules” window”.

3.8 Turn on the communicator¶
To start the communicator, turn on the security control panel’s power supply. This LED indication on the GT communicator must show:
-
“POWER” LED illuminates green when the power is on;
-
“NETWORK” LED illuminates green and blinks yellow when the communicator is registered to the network.
Note
Sufficient strength of 4G signal is level three (three “NETWORK” indicator flashes in yellow color). / If you count less yellow “NETWORK” LED flashes, the network signal strength is insufficient. We recommend to select a different place to install the communicator, or to use a more sensitive cellular antenna. / If you see a different LED indication, it indicates a certain malfunction. Diagnose it by following the LED indication table in chapter 1.6 “LED indication of operation”. / If the GT indication does not illuminate at all, check the power supply and connections.
4. Programming the control panel¶
4.1 Programming of control panels when the communicator is connected to the keypad bus or serial bus¶
Below it is described how to program the security control panel so that the GT communicator could read events from the panel and control it remotely.
To enable remote control of the security panel, make sure that the checkbox “Remote Arm/Disarm” is selected in the TrikdisConfig window “Panel settings”.
4.1.1 DSC¶
DSC panels do not need to be programmed.
4.1.2 PARADOX¶
Paradox control panels need to be programmed only for direct control with Protegus2. You do not need to program Paradox panels for reading events.
For remote control of Paradox panels, you need to set up a PC download password. This password must match the password which was set in the TrikdisConfig window “Panel settings”, when the checkbox next to “Remote Arm/Disarm” was selected.
To set this password, with the keypad connected to the security control panel:
-
For MAGELLAN, SPECTRA series: go to cell 911 and enter 4-digit PC download password.
-
For DIGIPLEX EVO series: go to cell 3012 and enter 4-digit PC download password.
4.1.3 TEXECOM¶
Texecom control panels need to be programmed for both reading events and remote control.
You need to set the Texecom panel’s “UDL passcode”. This password must match the password which was set in the TrikdisConfig window “Panel settings”, when the box next to “Remote Arm/Disarm” was selected.
The security control panel can be programmed with Texecom software - Wintex. Enter “UDL passcode” (4-digit code) in the “Communication Options” window, “Options” tab.
Also, you can program with a keypad connected to the security control panel:
-
Enter the 4-digit installer’s code and press the [Menu] button to enter the programming menu.
-
Press the [9] key immediately afterwards.
-
Press [7][6], and then [2]. Enter the 4-digit “UDL passcode” (“UDL passcode” must match the GT communicator’s “PC login password”).
-
Press [Yes] and leave the programming mode by pressing [Menu].
4.1.4 UTC INTERLOGIX (CADDX)¶
With the keypad connected to the security control panel:
-
Press [*][8] and enter the installer’s code (default - 9713).
-
Enter the device number assigned to the connected communicator (default - 0).
-
Set the settings below for each row. In sequence, enter the position, segment number and the required setting. Clicking [*] (asterisk) will return you to the local input field.
| Position | Segment | Setting |
|---|---|---|
| 23 | 3 | 12345678 |
| 37 (not necessary) | 3 | 12345678 |
| 37 (not necessary) | 4 | 1234567* |
| 90 | 3 | 12345678 |
| 93 | 3 | 12345678 |
| 96 | 3 | 12345678 |
| 99 | 3 | 12345678 |
| 102 | 3 | 12345678 |
| 105 | 3 | 12345678 |
| 108 | 3 | 12345678 |
After having programmed all the fields listed, press [Exit] twice to exit the programming mode.
4.1.5 INNERRANGE¶
Innerrange Inception security control panel version must be 2.3.0.3507-r0 or higher.
The control panel must be connected to the internet. Connect to Innerrange Inception by entering: https://skytunnel.com.au/inception/SERIALNUMBER, where SERIALNUMBER is the number of the controller that you can find on the panel’s enclosure.
Open Configuration > General > Alarm Reporting. In the 3rd Party Device Configuration settings group you need to enter:

-
Enable 3rd Party Device Reporting - select this checkbox.
-
3rd Party Device Type - set “Trikdis”.
-
Serial port - set “Serial Port 1 (Plugged In, In Use By 3rd Party Device)”.
-
Save settings and exit the application.
4.1.6 HONEYWELL ADEMCO VISTA¶
Follow these steps for Honeywell Ademco Vista-20 and Honeywell Ademco Vista-48 panels. The panel’s firmware version must be V5.3 or higher. With a keypad that is connected to the panel:
-
Enter the programming mode. Enter the installer code [4][1][1][2] and after that [8][0][0] . Alternatively, turn on the panel‘s power supply. In 50 seconds after the power supply is turned on, press the buttons [*] and [#] at the same time (this method can be used when programming mode was exited by pressing in keypad [*][9][8] ).
-
Turn on the sending of Contact ID events via LRR. Press [*][2][9][1][*] in keypad.
-
When using the „Remote Arm/Disarm“ function, allow to use the 2nd AUI address. In keypad press [*][1][8][9][1][*] .
Exit the programming mode. In keypad press [*][9][9]
4.2 Programming of control panels when the communicator is connected to the terminals of the telephone communicator of the control panel¶
For the control panel to send events via the landline dialer, it must be turned on and properly set up. Following the panel’s programming manual, configure the control panel’s landline dialer:
-
Turn on the panel’s PSTN landline dialer.
-
Enter the monitoring station receiver’s telephone number (you can use any number longer than 4 digits. The GT will pick up and answer when the panel calls to any phone number).
-
Choose DTMF mode.
-
Select Contact ID communication protocol.
-
Enter the panel’s 4 digit account number.
The control panel zone to which the GT output OUT is connected should be set to keyswitch zone for arming/disarming the control panel remotely.
Note
Keyswitch zone can be momentary (pulse) or level. By default, the GT controllable output OUT is set to 3 second pulse mode. You can change the impulse duration or change to level mode in Protegus2 settings. See chapter 5.2 “Additional settings to arm/disarm the system using the control panel’s keyswitch zone”.
¶
4.2.2 PROGRAMMING HONEYWELL VISTA LANDLINE DIALER¶
Using the control panel’s keypad enter these sections and set them as described:
-
*41 – enter monitoring station receiver telephone number;
-
*43 – enter control panel’s account number;
-
*47 – set the Tone dial to [1] and enter the number of dial attempts;
-
*48 – use default setting, *48 must be set to 7;
-
*49 – Split/Dual message. *49 must be set to 5;
-
*50 – delay for sending burglary alarm events (optional). Default value is [2,0]. With it the event message transmission will be delayed for 30 seconds. If you want the message to be sent immediately, set [0,0].
4.2.3 SPECIAL SETTINGS FOR HONEYWELL VISTA 48 PANEL¶
If you want to use GT communicator with Honeywell Vista 48 panel, set the following sections as described:
| Section | Data | Section | Data | Section | Data |
|---|---|---|---|---|---|
| *41 | 1111 (receiver telephone number) | *60 | 1 | *69 | 1 |
| *42 | 1111 | *61 | 1 | *70 | 1 |
| *43 | 1234 (panel account number) | *62 | 1 | *71 | 1 |
| *44 | 1234 | *63 | 1 | *72 | 1 |
| *45 | 1111 | *64 | 1 | *73 | 1 |
| *47 | 1 | *65 | 1 | *74 | 1 |
| *48 | 7 | *66 | 1 | *75 | 1 |
| *50 | 1 | *67 | 1 | *76 | 1 |
| *59 | 0 | *68 | 1 |
When all required settings are set, it is necessary to exit programming mode. Enter [*][9][9] in keypad.
4.2.4 UTC INTERLOGIX(CADDX)¶
Programming of the Interlogix NX-4V2 (NX-6V2, NX-8V2) control panel when the communicator is connected to the TIP/RING terminals of the control panel.
| Keypad Entry | Description | |
|---|---|---|
| *89713 | Enter programming mode | |
| 0# | ||
| Location 0 | 0# | |
| Location 0 | 1234# | |
| Location 1 | 1# | |
| Location 1 | 1234# | |
| Location 2 | 2# | |
| Location 2 | 1*# | |
| Location 4 | 4# | All zones LEDs are ON (segment 1) |
| Location 4 | 12345678* | All zones LEDs are ON (segment 2) |
| Location 4 | 12345678*# | |
| Location 23 | 23# | All zones LEDs are ON (segment 3) |
| Location 23 | ** | All zones LEDs are ON (segment 3) |
| Location 23 | 12345678*# | All zones LEDs are ON (segment 3) |
| Location 37 | 37# | All zones LEDs are ON (segment 3) |
| Location 37 | ** | All zones LEDs are ON (segment 4) |
| Location 37 | 12345678* | |
| Location 37 | 12345678*# | |
| EXIT EXIT | Exit programming mode |
5. Remote control¶
5.1 Adding the security system to Protegus2 app¶
With Protegus2 users will be able to control their alarm system remotely. They will see the status of the system and receive notifications about system events.
-
Download and launch the Protegus2 application or use the browser version: www.protegus.app.
-
Log in with your user name and password or register and create new account.
Warning
“Important” When adding the GT to Protegus2 check if:
-
The inserted SIM card is activated and the PIN code is either entered or disabled;
-
"Protegus cloud" is enabled. See chapter 6.5 "User reporting" window;
-
Power supply is connected ("POWER" LED illuminates green);
-
Registered to the network ("NETWORK" LED illuminates green and blinks yellow).
- Click “Add new system” and enter the GT’s “IMEI/Unique ID” number. This number can be found on the device and the packaging sticker. Click “Next”.

- Enter the system „Name”. Click “Next”.

5.2 Additional settings to arm/disarm the system using the control panel’s keyswitch zone¶
Warning
“Important” The control panel zone to which the GT output OUT is connected to has to be set to keyswitch mode. Follow the instructions below if the security control panel will be controlled with a GT PGM output, turning on/off the control panel keyswitch zone.
- Click „Continue“.

-
Enter “Area name”. Enable PGM output control using the Protegus2 application.
-
Select “Pulse” or “Level”, depending on how the keyswitch zone type is configured. If necessary, you can change the “Pulse” interval.
-
Click „Save“.

-
If there is another Area for the security system, then you need to click “Click to add an area”. Setting up the PGM output is similar to that described above.
-
After completing the settings, click the “Skip” button.

5.3 Arming/disarming the alarm system with Protegus2¶
-
In the “System Home Screen” window, click on the “Disarm” status icon.
-
Protegus2 will receive a message about a change in the status of the security system and the status icon will change its state.

5.4 Control with SMS messages¶
You can remotely control the communicator with SMS messages.
Message structure is: Password [space] Command [space] Data
For password use the Administrator code for INFO, RESET, OUTPUTx commands, and Installer code for INFO, OUTPUTx commands.
5.4.1 SMS command list¶
| Command | Data | Description |
|---|---|---|
| INFO | Request information about the device. Response will be: communicator type, IMEI number, serial number and firmware version. E.g.: 123456 INFO | |
| RESET | Restart the device. E.g.: 123456 RESET | |
| OUTPUTx | ON | Turn on an output. x is the output number (1, 2). E.g.: 123456 OUTPUT1 ON |
| OUTPUTx | OFF | Turn off an output. x is the output number (1, 2). E.g.: 123456 OUTPUT1 OFF |
| OUTPUTx | PULSE=tttt | Turn on the output in impulse mode, for the specified time interval (sec). / “tttt” is the time duration of impulse in seconds, described in four digits. / E.g.: 123456 OUTPUT2 PULSE=0002 |
You can restrict the phone numbers from which the communicator will accept the commands. See chapter 6.5 “User reporting” window, “Control by SMS” tab.
6. TrikdisConfig window description¶
6.1 TrikdisConfig status bar description¶
After connecting the GT and clicking Read [F4], TrikdisConfig will provide information about the connected device in the status bar:

| Object | Description |
|---|---|
| IMEI/Unique ID | Device IMEI number |
| Status | Operating condition |
| Device | Device type (GT should be shown) |
| SN | Device serial number |
| BL | Browser version |
| FW | Device firmware version |
| HW | Device hardware version |
| State | Connection to program type (via USB or remote) |
| Administrator | Access level (shown after access code is approved) |
After pressing Read [F4], the program will read and show the settings which are set in the GT. Set the necessary settings according to the TrikdisConfig window descriptions given below.
6.2 “System settings” window¶

“General” settings group
-
Object ID – if the events will be sent to the CMS (Central Monitoring Station), enter the account number provided by the CMS (6 characters hexadecimal number, 0-9, A-F. Do not use FFFE, FFFF Object ID).
-
Module ID - enter module ID number.
-
Time set - select which server to use for time synchronization.
“Access” settings group
When setting up the communicator GT there are two levels of access for, the administrator and the installer:
-
Administrator code - allows you to access all configuration fields (default code - 123456).
-
Installer code - limited access for configuring the communicator (default code - 654321).
-
Only an administrator can restore - if the box is checked, factory settings can be restored only by entering the administrator code.
-
Allow installer to change – the administrator can specify which settings can be changed by the installer.
6.3 „Panel settings“ window¶
“TLC” settings group

When the communicator is connected to the TIP/RING terminals of the control panel, the following settings must be made.
-
Communication protocol – enable/disable DTMF landline interface on the communicator.
-
Use security panel account ID – account ID is set in control panel and it is transmitted to GT.
-
Wait acknowledgment from CMS - after a successful reception of a message, the CMS sends a kissoff signal to communicator. If the communicator does not receive the kissoff tone in time, it retransmits the message.
-
Dial tone frequency – frequency in which the GT communicates with the control panel landline dialer.
“Serial bus” settings group

When the communicator is connected to keypad bus or serial bus of the control panel, the following settings must be made.
-
Event coding protocol - specify the data transfer protocol.
-
Select the Security panel type that will be connected to the communicator.
-
Remote Arm/Disarm - when the checkbox is selected, the GT will directly control the control panel remotely. This setting will be visible only for directly controlled panels. For direct control of the control panels you need to change the panel settings, as described in section 4.1 “Programming of control panels when the communicator is connected to the keypad bus or serial bus”.
-
PC download password - for the direct control of Paradox and Texecom control panels you need to enter the PC/UDL password. It must match the password that was entered in the control panel. How to change this password is described in section 4.1 “Programming of control panels when the communicator is connected to the keypad bus or serial bus”.
6.4 “CMS reporting” window¶
“CMS settings” tab

The communicator sends events to the monitoring station via cellular internet (IP).
Events can be sent over several channels of communication. The primary and parallel communication channels can operate simultaneously, this way the communicator can send events to two receivers at the same time. Backup channels can be assigned for both primary and parallel channels, which will be used when the connection via the primary or parallel channel is interrupted.
Communication is encoded and password protected. A TRIKDIS receiver is required for receiving and sending event information to the monitoring programs:
- For connection over IP - software receiver IPcom Windows/Linux, hardware IP/SMS receiver RL14.
“Primary channel” settings group
-
Communication type - select which method for connecting to the monitoring station receiver will be used: IP.
-
Protocol - select in which coding the events should be sent: TRK8 (to TRIKDIS receivers), DC-09_2007 or DC-09_2012 (to universal receivers) , TL150 (to SUR-GUARD receivers).
-
Encryption key - message encryption key. The key written to the communicator must match the receiver’s key.
-
Domain or IP - enter the domain or IP address of the receiver.
-
Port - enter the network port number of the receiver.
-
TCP or UDP - select in which protocol (TCP or UDP) the events should be sent.
“Parallel channel” settings group
Events are transmitted in parallel with the first channel through this channel. When the second channel is enabled, events can be sent simultaneously to two receivers (e.g., local and centralized monitoring stations). Parallel channel settings are the same as described above.
“Primary channel Backup” settings group
Enable the backup channel mode to send events via backup channel if connection via primary channel is lost. Backup channel settings are same as described above.

****“Settings” tab** “Settings” settings group**
-
Test period - TEST event period for testing the connection. Test events are sent as Contact ID messages and forwarded to the monitoring software.
-
IP ping period – period for sending internal PING heartbeats. These messages are only sent via IP channel. The receiver will not forward PING messages to the monitoring software to avoid overloading it. Notifications will only be sent to the monitoring software if the receiver fails to receive PING messages from the device within the set time.
By default, the “Connection lost” notification will be transmitted to the monitoring software if the PING message is not received by the receiver over a time period three times longer than set in the device. E.g. if the PING period is set for 3 minutes, the receiver will transfer the “Connection lost” notification if a PING message is not received within 9 minutes.
PING heartbeats keep the active communication session between the device and the receiver. An active session is required for remote connection, control and configuration of the device. We recommend setting the PING period for no more than 5 minutes.
-
Backup reporting after - indicates the number of unsuccessful attempts to send the message via Primary channel. If device fails to transmit specified number of times, the device will connect to transmit the messages via Backup channel.
-
Return from backup after - time after which the GT will attempt to reconnect and transmit messages via the Primary channel.
The settings are displayed when the DC-09_2007 or DC-09_2012 protocol is set in the communication channel Protocol field for sending events to universal receivers.
-
Line No. - enter line number of the receiver.
-
Receiver No. - enter the receiver number.
6.5 “User reporting” window¶
“PROTEGUS cloud” tab

Protegus service allows users to remotely monitor and control the communicator. For more information about Protegus service, visit www.protegus.app.
“Protegus Cloud” settings group
-
Enable connection – enable the Protegus service, the GT will be able to exchange data with Protegus2 app and to be remotely configured via TrikdisConfig.
-
Protegus Cloud access Code - 6-digit code for connecting to the Protegus2 app (default - 123456). Important: If you change the code via TrikdisConfig, you also need to change it in the Protegus2 application.
-
Parallel reporting – check the box and messages will be sent simultaneously via the primary channel (to CMS) and to Protegus2.
“SMS & Call Reporting“ tab

Notifications about system events can be transmitted to users’ mobile phones via SMS messages or phone calls.
-
Object name - name the system to which the communicator is connected. Every SMS notification will include the name of the object.
-
SMS language - choose the language for SMS messages (SMS messages can be sent with language-specific characters).
-
Tel numbers for SMS/Call reporting - enter up to 4 user phone numbers that will receive event SMS messages or calls. Phone numbers must begin with the country code, for example +370xxxxxxxx, 00370xxxxxxxx or 370xxxxxxxx.
-
Area name, User name, Zone name tables - each area, user and zone may have a name that will be used in SMS event messages. Enter the area, user or zone number in the appropriate table and enter the name next to the number.
-
CID event table - you can change which phone numbers receive SMS messages or phone calls notifying about the events on the list.
You can change the texts for SMS messages of default events, change the contact ID (CID) codes and enter new events with descriptions.
“Control by SMS” tab

You can send an SMS command to the GT communicator, which will activate the output or send information about the communicator. Find the control commands in chapter see the referenced section „see the referenced section”.
-
Reply text - SMS text that the user receives after sending an SMS command. SMS text can be edited.
-
Tel numbers for control by SMS - you can enter phone numbers from which the communicator will accept commands.
Note
If no phone number is entered, the device will accept commands from any phone number. In any case, security is guaranteed by the requirement to enter administrator or installer password in the SMS command.
6.6 “Network settings” window¶
Warning
“Important” 1. Ensure that the SIM card is activated and working before using it. / 2. If mobile internet connection will be used for sending events via IP channel or to Protegus2, ensure that mobile data service is enabled. 
“SIM card” settings group
-
SIM card PIN - enter the SIM card PIN code. This code can be disabled by inserting the SIM card into a mobile phone and disabling the request. If you disabled the SIM card PIN request, leave the default value in this field.
-
APN - enter APN (Access Point Name). It is required for connecting the communicator to the internet. APN can be found on the website of the SIM card operator (“internet” is universal and works in the networks of many operators).
-
Login, Password - if required, enter the user name (login) and password for connection to the internet.
-
SIM ICCID - enter the ICCID number of the SIM card if you want the communicator to work only with this SIM card.
-
DNS1, DNS2 - (Domain Name System) server that specifies the IP address of the domain. Used when domain is set in the communication channel Domain or IP field (not IP address). Google DNS server is set by default. Regardless of IP settings, make sure the DNS addresses match those supported by your ISP.
-
Preferred operator – after entering the mobile network operator code, the communicator will connect only to the network of the selected operator. The mobile operator code consists of MCC and MNS codes.
-
Hard ICCID lock - by checking the field and restarting the communicator, it will be strictly tied to the specified ICCID code of the SIM card.
“Connection Type” tab

These settings are valid for communicators with a CAT-M1 modem. You can specify the frequencies on which the communicator’s modem will operate.
6.7 “IN/OUT” windows¶

The communicator has 2 universal (input / output) terminals. The table can set the terminal operating mode (Off, IN, OUT). The input must specify the type of circuit to be connected NC, NO, NO / EOL, NC / EOL, NO / DEOL, NC / DEOL.
Additional sensors can be connected to the communicator inputs. When the sensor is triggered, the communicator will send an event message. The input is assigned a Contact ID code, which will be sent to CMS and Protegus2.
-
Enable – checked event fields where messages will be sent to CMS and Protegus2.
-
E/R – choose what type of event will be sent when input is triggered – Event or Restore.
-
CID – enter the event code or leave the default value. Upon entering the event, the event code will be sent to Protegus2 and CMS.
-
SIA - enter the event code or leave the default value. Upon entering the event, the event code will be sent to Protegus2 and CMS.
-
Part. – enter the partition (area) number that will be sent when an internal event occurs and the system is restored.
-
Zone - enter the zone number that will be sent when an internal event occurs and the system is restored.
6.8 “RS485 modules” window¶
“Modules list” tab
iO-8 expanders can be connected to the communicator to add additional inputs, outputs. Connected expanders must be added to the “Modules list” table.

-
Module type – select the module that is connected to the communicator via RS485 from the list.
-
Serial No – enter the module serial number (6 digits), which is indicated on stickers on the module’s case and packaging.
After selecting the connected module and entering its serial number, go to RS485 modules → Module.
“Module 1” tabs
After adding the expander to the communicator as described above, in the “RS485 modules” window a new tab will appear with this module’s settings. The tab will be given a number. Bellow we describe the settings for iO-8 expander.
iO-8 expander settings window

Expander iO-8 has 8 universal (input/output) terminal contacts. Up to four iO-8 expanders can be connected.
- Input count – select what number of terminal contacts should be set to input (IN) mode. The rest of the terminal contacts will become outputs (OUT).
Settings for controllable outputs are set directly in Protegus2 app. There you can assign an output for arming/disarming the alarm system or for remote control of devices.
In the table inputs can be assigned Contact ID event and restore codes. After input is triggered, the communicator will send an event with set event code to monitoring station receiver, Protegus2 app.
Contact ID event code:
-
Enable – allow message transmission, when the input is triggered.
-
E/R – choose what type of event will be sent when input is triggered – Event or Restore.
-
CID – assign a Contact ID event code to the input.
-
SIA - assign a SIA event code to the input.
-
Part. – assign the partition (area) to the input. It is set automatically: if the module no. is 1, then the area is 91; if the module no. is 4, then the area is 94.
-
Zone – set the zone number for the input.
****Contact ID restore code:
-
Enable – allow message transmission when the input is restored.
-
E/R – choose what type of event will be sent when input is restored – Restore or Event.
-
CID – assign the Contact ID restore code to the input.
-
SIA - assign a SIA event code to the input.
-
Part. – assign the partition (area) to the input. It is set automatically: if the module no. is 1, then the area is 91; if the module no. is 4, then the area is 94.
-
Zone – set the zone number for the input.
-
Object ID - the input (IN) can be assigned an Object ID, which will differ from the Object ID of the communicator GT.
-
Input type – select the type of the input (NO, NC or EOL).
6.9 “Event summary” window¶
This window allows you to turn on, off, and modify internal messages sent by your device. Disabling an internal message in this window will prevent it from being sent regardless of other settings.

In this window, you can turn on, turn off or change the internal event messages sent by the device. After turning off the internal event in this window, it will not be sent irrespective of other settings.
-
COMMUNICATION – message about connection error between the control panel and GT.
-
POWER – message about low power supply voltage.
-
REMOTE_FINISHED – message about disconnection from remote configuration with TrikdisConfig.
-
REMOTE_STARTED – message about remote connection to configure GT with TrikdisConfig.
-
TEST – periodic test message.
Note
To enable periodic TEST messages and set their period, go to CMS reporting -> Settings -> Test period. - Enable – when selected, the sending of messages is enabled.
You can change the Contact ID code for each event, and also the zone and partition number.
6.10 Restoring factory settings¶
To restore the communicator’s factory settings, you need to click the „Restore” button in the TrikdisConfig window.

Another way to restore factory settings.
Power supply is connected to the communicator. Press and hold the “RESET” button on the communicator PCB board. Hold the “RESET” button pressed for 10 seconds until the LED indicators (“NETWORK”, “POWER”, “TROUBLE”) turn off and the LED “POWER” indicator lights up. Release the “RESET” button. The communicator’s factory settings have been restored.
7. Remote configuration¶
Warning
“Important” Remote configuration will work only if:
-
The inserted SIM card is activated and the PIN code is either entered or disabled;
-
"Protegus cloud" is enabled. How to enable cloud is described in section 6.5 "User reporting" window;
-
Power supply is connected ("POWER" LED illuminates green);
-
Registered to the network ("NETWORK" LED illuminates green and blinks yellow).
-
Start the configuration program TrikdisConfig.
-
In the “Remote access” section enter the communicator’s “IMEI/Unique ID” number. This number can be found on the device and the packaging sticker.

-
(Optional) in the “System name” field, enter the desired name for the GT with this Unique ID.
-
Press “Configure”.
-
In the newly opened window click Read [F4]. If required, enter the administrator or installer code. To save the password, select “Remember password”.
-
Set the necessary settings and when finished, click Write [F5].
8. Test communicator performance¶
When the configuration and installation is complete, perform a system check:
- Generate an event:
-
by arming/disarming the system with the control panel’s keypad;
-
by triggering a zone alarm when the security system is armed.
-
Make sure that the event arrives to the CMS (Central Monitoring Station) and/or is received in the Protegus2 application.
-
To test communicator input, trigger it and make sure to receive the correct event.
-
To test the communicator outputs, activate them remotely and check their operation.
-
If the security control panel will be controlled remotely, arm/disarm the security system remotely by using the Protegus2 app.
9. Firmware update¶
Note
When the communicator is connected to TrikdisConfig, the program will automatically offer to update the device’s firmware if updates are present. Updates require an internet connection. Antivirus software, firewall or strict access to internet settings can block the automatic firmware updates. In this case, you will need to reconfigure your antivirus program. The communicator’s firmware can also be updated or changed manually. After an update, all previously set settings will remain unchanged. When writing firmware manually, it can be changed to a newer or older version. To update:
-
Run TrikdisConfig.
-
Connect the communicator via USB cable to the computer or connect to the communicator remotely.
- If a newer firmware version exists, the software will offer to download the newer firmware version file.
-
In TrikdisConfig select “Firmware”.

-
Press „Open firmware” and select the required firmware file.
-
Press Update [F12].
-
Wait for the update to complete.
10. Safety requirements¶
The communicator should be installed and maintained by qualified personnel.
Prior to installation, please read this manual carefully in order to avoid mistakes that can lead to malfunction or even damage to the equipment.
Disconnect the power supply before making any electrical connections.
Changes, modifications or repairs not authorized by the manufacturer shall void your rights under the warranty.
Please act according to your local rules and do not dispose of your unusable alarm system or its components with other household waste.
11. Annex¶
The communicator converts Contact ID codes received from the alarm control panel into SIA codes.
Contact ID to SIA code conversion table
| System Event | CID Report Code | SIA Report Code |
|---|---|---|
| Medical alarm | E100 | “MA” |
| Personal emergency | E101 | “QA” |
| Fire in zone: | E110 | “FA” |
| Water flow detected in zone: | E113 | “SA” |
| Pull station alarm in zone: | E115 | “FA” |
| Panic in zone: | E120 | “PA” |
| Panic alarm by user: | E121 | “HA” |
| Panic alarm in zone: | E122 | “PA” |
| Panic alarm in zone: | E123 | “PA” |
| Panic alarm in zone: | E124 | “HA” |
| Panic alarm in zone: | E125 | “HA” |
| Alarm active in zone: | E130 | “BA” |
| Alarm active in zone: | E131 | “BA” |
| Alarm active in zone: | E132 | “BA” |
| Alarm active in zone: | E133 | “BA” |
| Alarm active in zone: | E134 | “BA” |
| Alarm active in zone: | E135 | “BA” |
| Tamper active in zone: | E137 | “TA” |
| Intrusion verified in zone: | E139 | “BV” |
| Alarm active in zone: | E140 | “UA” |
| System failure (143) | E143 | “ET” |
| Tamper active in zone: | E144 | “TA” |
| Tamper active in zone: | E145 | “TA” |
| Alarm active in zone: | E146 | “BA” |
| Alarm active in zone: | E150 | “UA” |
| Gas detected in zone: | E151 | “GA” |
| Water leakage detected in zone: | E154 | “WA” |
| Foil break detected in zone: | E155 | “BA” |
| High temperature at sensor: | E158 | “KA” |
| Low temperature at sensor: | E159 | “ZA” |
| CO detected in zone: | E162 | “GA” |
| Fire failure in zone: | E200 | “FS” |
| Monitored alarm | E220 | “BA” |
| System failure (300) | E300 | “YP” |
| AC power supply loss | E301 | “AT” |
| Low battery | E302 | “YT” |
| System failure (304) | E304 | “YF” |
| System reset in zone: | E305 | “RR” |
| Panel programming changed | E306 | “YG” |
| System shutdown | E308 | “RR” |
| Battery failure (309) | E309 | “YT” |
| Ground fault | E310 | “US” |
| Battery failure (311) | E311 | “YM” |
| Power supply overcurrent (312) | E312 | “YP” |
| Engineer reset by user: | E313 | “RR” |
| Sounder/Relay failure | E320 | “RC” |
| System failure (321) | E321 | “YA” |
| System failure (330) | E330 | “ET” |
| System failure (332) | E332 | “ET” |
| System failure (333) | E333 | “ET” |
| System failure (336) | E336 | “VT” |
| System failure (338) | E338 | “ET” |
| System failure (341) | E341 | “ET” |
| System failure (342) | E342 | “ET” |
| System failure (343) | E343 | “ET” |
| System failure (344) | E344 | “XQ” |
| System communication failure (350) | E350 | “YC” |
| System communication failure (351) | E351 | “LT” |
| System communication failure (352) | E352 | “LT” |
| System failure (353) | E353 | “YC” |
| System communication failure (354) | E354 | “YC” |
| System failure (355) | E355 | “UT” |
| Fire trouble in zone: | E373 | “FT” |
| Trouble in zone: | E374 | “EE” |
| Trouble in zone: | E378 | “BG” |
| Trouble in zone: | E380 | “UT” |
| Wireless zone fault: | E381 | “US” |
| Wireless module failure (382) | E382 | “UY” |
| Tamper active in zone: | E383 | “TA” |
| Low battery in wireless zone: | E384 | “XT” |
| Trouble in zone: | E389 | “ET” |
| Trouble in zone: | E391 | “NA” |
| Trouble in zone: | E393 | “NC” |
| User | E400 | “OP” |
| User | E401 | “OP” |
| Automatic disarm | E403 | “OA” |
| Deferred disarm | E405 | “OR” |
| Alarm cancelled by user: | E406 | “BC” |
| User | E407 | “OP” |
| Quick disarm | E408 | “OP” |
| Remote disarm | E409 | “OS” |
| Callback request made by CMS | E411 | “RB” |
| Successful data download | E412 | “RS” |
| Entry access denied for user | E421 | “JA” |
| Entry by user | E422 | “DG” |
| Forced Access | E423 | “DF” |
| Exit access denied for user | E424 | “DD” |
| Exit by user | E425 | “DR” |
| User | E451 | “OK” |
| User | E452 | “OJ” |
| User | E453 | “CT” |
| User | E454 | “CI” |
| Auto arm failed | E455 | “CI” |
| Partial arm by user: | E456 | “CG” |
| Exit violation by user: | E457 | “EE” |
| System disarmed after alarm by user: | E458 | “OR” |
| Recent arm | E459 | “CR” |
| Wrong code entered | E461 | “JA” |
| Auto-arm time extended by user: | E464 | “CE” |
| Device disabled (501) | E501 | “RL” |
| Device disabled (520) | E520 | “RO” |
| Wireless sensor disabled in zone: | E552 | “YS” |
| Zone | E570 | “UB” |
| Zone | E571 | “FB” |
| Zone | E572 | “MB” |
| Zone | E573 | “BB” |
| Group bypass by user: | E574 | “CG” |
| Zone | E576 | “UB” |
| Zone | E577 | “UB” |
| Vent zone bypass | E579 | “UB” |
| Walk test activated by user: | E607 | “TS” |
| Manual test report | E601 | “RX” |
| Periodic test report | E602 | “RP” |
| System event (605) | E605 | “JL” |
| System event (606) | E606 | “LF” |
| Periodic test report with trouble | E608 | “RY” |
| System event (622) | E622 | “JL” |
| System event (623) | E623 | “JL” |
| Time/Date was reset by user | E625 | “JT” |
| Inaccurate Time/Date | E626 | “JT” |
| System programming started | E627 | “LB” |
| System programming finished | E628 | “LS” |
| System event (631) | E631 | “JS” |
| System event (632) | E632 | “JS” |
| System not active (654) | E654 | “CD” |
| Medical alarm restored | R100 | “MH” |
| Personal emergency restored | R101 | “QH” |
| No more fire alarm in zone : | R110 | “FH” |
| No more water flow alarm in zone: | R113 | “SH” |
| Panic alarm restored in zone: | R120 | “PH” |
| Panic alarm cancelled by user: | R121 | “HH” |
| Panic alarm restored in zone: | R122 | “PH” |
| Panic alarm restored in zone: | R123 | “PH” |
| Panic alarm restored in zone: | R124 | “HH” |
| Panic alarm restored in zone: | R125 | “HH” |
| No more alarm in zone: | R130 | “BH” |
| No more alarm in zone: | R131 | “BH” |
| No more alarm in zone: | R132 | “BH” |
| No more alarm in zone: | R133 | “BH” |
| No more alarm in zone: | R134 | “BH” |
| No more alarm in zone: | R135 | “BH” |
| No more tamper in zone: | R137 | “TA” |
| No more alarm in zone: | R140 | “UH” |
| No more system failure (143) | R143 | “UR” |
| No more tamper in zone: | R144 | “TR” |
| No more tamper in zone: | R145 | “TR” |
| No more alarm in zone: | R146 | “BH” |
| No more alarm in zone: | R150 | “UH” |
| No more gas alarm in zone: | R151 | “GH” |
| No more water leakage alarm in zone: | R154 | “WH” |
| Foil break restored in zone: | R155 | “BH” |
| Temperature has normalized at sensor: | R158 | “KH” |
| Temperature has normalized at sensor: | R159 | “ZH” |
| No more CO alarm in zone: | R162 | “GH” |
| No more fire failure in zone: | R200 | “FV” |
| Monitored restore alarm | R220 | “BH” |
| No more system failure (300) | R300 | “YA” |
| AC power supply OK | R301 | “AR” |
| Battery OK | R302 | “YR” |
| No more system failure (304) | R304 | “YG” |
| System reset restored in zone: | R305 | “RR” |
| No more battery failure (309) | R309 | “YR” |
| Restore ground fault | R310 | “UR” |
| No more battery failure (311) | R311 | “YR” |
| Restore power supply overcurrent (312) | R312 | “YQ” |
| No more sounder/Relay failure | R320 | “RO” |
| No more system failure (321) | R321 | “YH” |
| No more system failure (330) | R330 | “ER” |
| No more system failure (332) | R332 | “ER” |
| No more system failure (333) | R333 | “ER” |
| No more system failure (336) | R336 | “VR” |
| No more system failure (338) | R338 | “ER” |
| No more system failure (341) | R341 | “ER” |
| No more system failure (342) | R342 | “ER” |
| No more system failure (344) | R344 | “XH” |
| No more system communication failure (350) | R350 | “YK” |
| No more system communication failure (351) | R351 | “LR” |
| No more system communication failure (352) | R352 | “LR” |
| No more system failure (353) | R353 | “YK” |
| No more system communication failure (354) | R354 | “YK” |
| No more system failure (355) | R355 | “UJ” |
| Fire trouble restored in zone: | R373 | “FJ” |
| No more trouble in zone: | R374 | “EA” |
| No more trouble in zone: | R380 | “UJ” |
| No more wireless zone fault: | R381 | “UR” |
| No more wireless module failure (382) | R382 | “BR” |
| No more tamper in zone: | R383 | “TR” |
| Battery OK in wireless zone: | R384 | “XR” |
| No more trouble in zone: | R391 | “NS” |
| No more trouble in zone: | R393 | “NS” |
| User | R400 | “CL” |
| User | R401 | “CL” |
| Automatic arm | R403 | “CA” |
| User | R407 | “CL” |
| Quick arm | R408 | “CL” |
| Remote arm | R409 | “CS” |
| User | R441 | “CG” |
| User | R451 | “CK” |
| User | R452 | “CJ” |
| User | R454 | “CI” |
| Partial Arm by user: | R456 | “CG” |
| Recent disarm | R459 | “CR” |
| Device enabled (501) | R501 | “RG” |
| Device enabled (520) | R520 | “RC” |
| Wireless sensor enabled in zone: | R552 | “YK” |
| Zone | R570 | “UU” |
| Zone | R571 | “FU” |
| Zone | R572 | “MU” |
| Zone | R573 | “BU” |
| Group bypass by user: | R574 | “CF” |
| Zone | R576 | “UU” |
| Zone | R577 | “UU” |
| Vent zone bypass cancelled | R579 | “UU” |
| Walk test deactivated by user | R607 | “TE” |
| Time/Date was reset by user | R625 | “JT” |
| System active (654) | R654 | “CD” |