GSM komunikatorius G16¶
1. Aprašymas¶
Mobilaus ryšio komunikatorius G16 gali būti tiesiogiai prijungtas prie DSC, Paradox, UTC Interlogix (CADDX), Innerrange, Texecom, Honeywell,Crow ir Pyronix apsaugos centralių.
Komunikatorius gali perduoti pilną įvykių informaciją į saugos tarnybos stebėjimo pulto imtuvą.
Komunikatorius veikia su Protegus programėle. Su Protegus vartotojai gali valdyti savo signalizaciją nuotoliniu būdu ir gauti pranešimus apie įvykius. Protegus programėlė veikia su visomis kitų gamintojų apsaugos sistemomis, kurias palaiko komunikatorius G16. Komunikatorius gali siųsti pranešimus į saugos tarnybos pultą ir veikti su Protegus vienu metu.
Komunikatorius G16 gali tiesiogiai prisijungti prie DSC®, Paradox®, UTC Interlogix® (CADDX), Innerrange®, Texecom®, Honeywell®, Crow® ir Pyronix® centralių. Kitų gamintojų centralėms naudokite komunikatorių G16T.
Savybės
Prijungiamas prie centralės duomenų arba klaviatūros magistralės.
Siunčia įvykius į stebėjimo pulto imtuvą:
-
Siunčia įvykius į TRIKDIS programinius arba aparatūrinius imtuvus, kurie dirba su bet kuria stebėjimo programa.
-
Gali siųsti įvykius į SIA DC-09 imtuvus.
-
Gali siųsti įvykius į SUR-GARD imtuvus. Priede yra kodų (Contact ID į SIA) keitimo lentelė.
-
Ryšio stebėjimas siunčiant PING užklausą į IP imtuvą kas 30 sekundžių (arba kitu nustatytu periodu).
-
Atsarginis kanalas, kuris bus naudojamas nutrūkus ryšiui pirminiu kanalu.
-
Pranešimų į pultą perdavimas SMS žinutėmis. SMS žinutės bus išsiųstos net ir tada, kai sutrinka IP ryšys mobiliojo ryšio operatoriaus tinkle.
-
Įgalinus lygiagrečius ryšio kanalus, įvykiai bus siunčiami į du imtuvus vienu metu.
-
Kai įjungta Protegus paslauga, įvykiai visų pirma siunčiami į CSP ir tik po to - programėlės naudotojams.
Veikia su Protegus programėle:
-
“Push” ir specialūs garso įspėjimai apie įvykius.
-
Nuotolinis sistemos įjungimas/išjungimas.
-
Nuotolinis prijungtų įrenginių valdymas (šviesų, vartų, kondicionieriaus, šildymo, pievutės laistymo ir kt.).
-
Temperatūros stebėsena (su išplėtėju iO arba iO-WL).
-
Skirtingos vartotojų teisės administratoriui, instaliuotojui ir vartotojui.
Informuoja vartotojus:
- Vartotojus galima informuoti apie įvykius ne tik su Protegus programėle, bet ir su SMS žinutėmis bei skambučiu.
Valdomi išėjimai ir įėjimai:
-
2 išėjimai, valdomi su:
-
Protegus programėle.
-
SMS.
-
1 pasirenkamo tipo įėjimas, tipai: NC; NO; NC/EOL; NO/EOL; NC/DEOL; NO/DEOL.
- Pridėkite papildomų įėjimų ir valdomų išėjimų su laidiniais ir belaidžiais iO plėtikliais.
Greitai sukonfigūruojamas:
-
Nustatymai gali būti išsaugoti į failą ir greitai įrašyti į kitus komunikatorius.
-
Du prieigos prie nustatymų lygiai: instaliuotojui ir CSP administratoriui.
-
Nuotolinis konfigūravimas ir programinės įrangos atnaujinimas.
1.1 Suderinamų centralių sąrašas¶
| Gamintojas | Modelis |
|---|---|
| DSC® | PC585, PC1404, PC1565, PC1616, PC1832, PC1864, PC5015, PC5020 |
| PARADOX® | SPECTRA SP4000, SP5500, SP6000, SP7000, SP65 |
| PARADOX® | MAGELLAN MG5000, MG5050, MG5050E |
| PARADOX® | DIGIPLEX EVO48, EVO192, EVOHD, NE96, EVO96 |
| PARADOX® | SPECTRA 1727, 1728, 1738 |
| PARADOX® | ESPRIT E55, 728ULT, 738ULT |
| UTC Interlogix® | NetworX (Caddx) NX-4v2, NX-6v2, NX-8v2, NX-8e |
| Texecom® | Premier 412, 816, 832, 832+ / Premier 24, 48, 88, 168 / Premier Elite 12, 24, 48, 64, 88, 168 |
| Pyronix® | MATRIX 424, MATRIX 832, MATRIX 832+, MATRIX 6, MATRIX 816 |
| Innerrange® | Inception, Integriti |
| Honeywell® | Ademco Vista-15, Ademco Vista-20, Ademco Vista-48 |
| Crow® | Runner 4/8, Runner 8/16 |
*Pabraukta – centralės, tiesiogiai valdomos su G16. Tiesiogiai valdomų PARADOX centralių veikimo programos versija turi būti ne žemesnė nei V.4.
*Kitų gamintojų centrales prijunkite su komunikatoriumi G16T.
1.2 Komunikatoriaus modelių tipai¶
Ši instrukcija skirta šiems komunikatoriaus modeliams:
-
G16_321x – 3 versija, 1 SIM, 2G modemas.
-
G16_331x – 3 versija, 1 SIM, 3G modemas.
-
G16_341x – 3 versija, 1 SIM, 4G modemas.
-
G16_3M10 – 3 versija, 1 SIM, LTE CatM1 & EGPRS modemas.
1.3 Techniniai parametrai¶
| Parametras | Aprašymas |
|---|---|
| Įėjimai | 1 pasirenkamo tipo įėjimas, NC;NO; NC/EOL; NO/EOL; NC/DEOL; NO/DEOL. / Galima praplėsti su iO serijos plėtikliais. |
| Išėjimas | 2, OC tipas, iki 0,15 A, 30 V DC maks. Galima praplėsti su iO serijos plėtikliais. |
| 2G modemo dažniai | 850 / 900 / 1800 / 1900 MHz |
| 3G modemo dažniai | 800 / 850 / 900 / 1900 / 2100 MHz |
| 4G modemo dažniai | Priklausomai nuo regiono |
| Maitinimo įtampa | 10-18 V nuolatinės srovės |
| Naudojama srovė | 60-100 mA (budėjimo režime) / Iki 250 mA (duomenų siuntimo metu) |
| Perdavimo protokolai | TRK, DC-09_2007, DC-09_2012, TL150 |
| Pranešimo šifravimas | AES 128 |
| Atmintis | Iki 60 pranešimų |
| Veikimo konfigūravimas | Su kompiuterine programa TrikdisConfig nuotoliniu būdu arba lokaliai per USB Mini-B. Nuotoliniu būdu SMS žinutėmis. |
| Darbo aplinkos sąlygos | Temperatūra nuo -10 °C iki +50 °C, santykinė drėgmė – iki 80%, prie +20 °C. |
| Komunikatoriaus matmenys | 92 x 65 x 25 mm |
| Svoris | 80 g |
1.4 Komunikatoriaus elementai¶
-
GSM antenos SMA jungtis.
-
Šviesos indikatoriai.
-
Priekinio dangtelio atidarymo plyšys.
-
Gnybtai laidų prijungimui.
-
USB Mini-B jungtis komunikatoriui programuoti.
-
SIM kortelės laikiklis.

1.5 Išorinių kontaktų paskirtis¶
| Gnybtas | Aprašymas |
|---|---|
| +DC | maitinimo gnybtas (10-18 V nuolatinės srovės teigiamas gnybtas) |
| -DC | maitinimo gnybtas (10-18 V nuolatinės srovės neigiamas gnybtas) |
| CLK | Serijinio prievado gnybtai tiesioginiam prijungimui prie centralės |
| A 485 | RS485 gnybtai prijungti iO įėjimų ir išėjimų plėtiklį arba kitus priedus |
| COM | Bendras (neigiamas) |
| IN | Įėjimo gnybtas, pasirenkamo tipo NC; NO; NC/EOL; NO/EOL; NC/DEOL; NO/DEOL |
| OUT1 | 1as valdomas išėjimas, OC tipo, srovė iki 0,15 A |
| OUT2 | 2as valdomas išėjimas, OC tipo, srovė iki 0,15 A |
1.6 Šviesinė veikimo indikacija¶
| Indikatorius | Būklė | Aprašymas |
|---|---|---|
| NETWORK | Nešviečia | Nėra ryšio su GSM tinklu. |
| NETWORK | Geltonas mirksi | Jungiasi prie GSM tinklo. |
| NETWORK | Šviečia žalia ir mirksi geltona | Komunikatorius prisijungė prie GSM tinklo. Pakankamas GSM signalo stiprumas GPRS ryšiui yra 5 lygis (penki geltoni sumirksėjimai) ir 3G ryšiui 3 lygis (trys geltoni sumirksėjimai). |
| DATA | Nešviečia | Nėra neišsiųstų įvykių pranešimų. |
| DATA | Šviečia žaliai | Yra neišsiųstų pranešimų. |
| DATA | Mirksi žaliai | (konfigūravimo režimas) duomenys perkeliami į komunikatorių arba iš jo. |
| POWER | Nešviečia | Nėra maitinimo. |
| POWER | Šviečia žalia | Maitinimo įtampa yra pakankama. |
| POWER | Šviečia geltona | Maitinimo įtampa yra nepakankama (≤11.5 V). |
| POWER | Šviečia žalia ir mirksi geltona | (konfigūravimo režimas) komunikatorius parengtas konfigūravimui. |
| POWER | Šviečia geltona | (konfigūravimo režimas) nėra ryšio su kompiuteriu. |
| TROUBLE | Nešviečia | Komunikatorius veikia gerai, be nesklandumų. |
| TROUBLE | 1 raudonas mirksnis | SIM kortelė neaptikta. |
| TROUBLE | 2 raudoni mirksniai | Problemos su SIM kortelės PIN kodu (neteisingas PIN kodas). |
| TROUBLE | 3 raudoni mirksniai | Programavimo problemos (nėra APN). |
| TROUBLE | 4 raudoni mirksniai | Prisijungimo prie GSM tinklo problemos. |
| TROUBLE | 5 raudoni mirksniai | Prisijungimo prie mobiliojo duomenų tinklo problemos. |
| TROUBLE | 6 raudoni mirksniai | Nėra ryšio su imtuvu. |
| TROUBLE | 7 raudoni mirksniai | Dingo ryšys su centrale. |
| TROUBLE | Mirksi raudona | (konfigūravimo režimas) atminties klaida. |
| TROUBLE | Šviečia raudona | (konfigūravimo režimas) programinės įrangos klaida. |
1.7 GSM komunikatoriaus G16 panaudojimo struktūrinė schema¶

Pastaba
Prieš pradėdami įrengimą, įsitikinkite, kad turite:
1) USB Mini-B tipo kabelį, reikalingas konfigūravimui.
2) Mažiausiai 4 gyslų kabelį komunikatoriaus prijungimui prie apsaugos centralės.
3) CRP2 kabelį Paradox centralių prijungimui prie nuosekliojo prievado.
4) Plokščią 2,5 mm atsuktuvą.
5) Išorinę GSM anteną, jeigu vietoje silpnas ryšys.
6) Aktyvuotą SIM kortelę (PIN kodo reikalavimas gali būti išjungtas).
7) Apsaugos centralės instrukcija, prie kurios bus jungiamas komunikatorius.
Reikalingas medžiagas galite užsisakyti iš vietinio platintojo.
2. Greitas konfigūravimas su programa TrikdisConfig¶
-
Parsisiųskite konfigūravimo programą TrikdisConfig iš www.trikdis.lt (programą rasite paieškos lauke surinkę „TrikdisConfig“), ir ją įdiegite.
-
Plokščiu atsuktuvu nuimkite G16 dangtelį kaip parodyta žemiau:

-
Su USB Mini-B kabeliu sujunkite G16 su kompiuteriu.
-
Paleiskite TrikdisConfig. Programa automatiškai atpažins prijungtą gaminį ir atidarys G16 konfigūravimo langą.
-
Spustelkite programos mygtuką Skaityti [F4], kad ji pateiktų esamas G16 veikimo parametrų reikšmes. Jei atsivers administratoriaus arba instaliatoriaus kodo įvedimo reikalavimo langelis, įveskite 6 skaitmenų kodą.
Žemiau aprašome nustatymus, kuriuos reikia pakeisti, kad komunikatorius pradėtų siųsti pranešimus į Stebėjimo pultą ir kad apsaugos centralę būtų galima valdyti su Protegus programėle.
2.1 Nustatymai ryšiui su Protegus programėle¶
Lange „Sistemos parinktys“:

-
Pasirinkite Centralės modelį, kurį jungsite prie komunikatoriaus.
-
Pažymėkite varnele Nuotolinis centralės valdymas, jei norite, kad vartotojai galėtų valdyti centralę Protegus programėlėje su savo klaviatūros kodu. Šis nustatymas rodomas tiesiogiai valdomoms centralėms.
-
Paradox ir Texecom centralių tiesioginiam valdymui įveskite Centralės PC download/UDL slaptažodį. Jis turi sutapti su slaptažodžiu, kuris įvestas centralėje.
Pastaba
Kad veiktų tiesioginis centralės valdymas, reikės pakeisti centralės nustatymus. Kaip tai padaryti aprašyta skyriuje 4 „Apsaugos centralių programavimas". Šiame skyriuje aprašyta ir kaip pakeisti centralės PC download/UDL slaptažodį.
Lango „Pranešimai vartotojui“ kortelėje „PROTEGUS servisas“:

-
Pažymėkite varnele Leisti prisijungti prie Protegus serviso.
-
Pakeiskite prisijungimo prie PROTEGUS slaptažodį, jeigu norite, kad vartotojų prašytų jį suvesti pridedant sistemą Protegus programėlėje (gamyklinis – 123456).
Lange „SIM kortelė“:

-
Įveskite SIM kortelės PIN kodą.
-
Pakeiskite APN vardą. APN rasite SIM operatoriaus interneto puslapyje. „Internet” yra universalus ir veikia daugelio operatorių tinkluose.
Baigę konfigūravimą paspauskite mygtuką Įrašyti [F5] ir atjunkite USB kabelį.
Pastaba
Plačiau apie kitus G16 nustatymus TrikdisConfig žr. 6 „TrikdisConfig langų aprašymas".
2.2 Nustatymai ryšiui su Stebėjimo pultu¶
Lange „Sistemos parinktys“:

-
Įrašykite Objekto numerį (Nenaudokite FFFE, FFFF objekto numerių.).
-
Pasirinkite Centralės modelį, kurį jungsite prie komunikatoriaus.
Lange „Siuntimas į CSP“, parinkčių grupėje „Pirminis ryšio kanalas“:

-
Ryšio būdas – pasirinkite IP ryšio būdą (Nerekomenduojame naudoti SMS kaip pirminio kanalo).
-
Protokolas – pasirinkite, kuria koduote turėtų būti siunčiami pranešimai: TRK (į TRIKDIS imtuvus), DC-09_2007 arba DC-09_2012 (į universalius imtuvus), TL150 ( į SUR-GARD imtuvus).
-
TRK šifravimo raktas – įrašykite šifravimo raktą, kuris yra nustatytas imtuve.
-
Domenas arba IP – įrašykite imtuvo domeno arba IP adresą.
-
Prievadas – įrašykite imtuvo prievado (angl. port) numerį tinkle.
-
TCP arba UDP – pasirinkite, kuriuo protokolu (TCP arba UDP) turėtų būti siunčiami pranešimai.
Pastaba
Jei norite nustatyti ryšį su pultu SMS žinutėmis, reikės nustatyti tik šifravimo raktą ir telefono numerį. SMS pranešimus gali priimti TRIKDIS stebėjimo pulto IP/SMS imtuvas RL14, daugiakanalis imtuvas RM14 ir SMS imtuvas GM14. / Jei pasirinkote DC-09 pranešimų perdavimo koduotę, papildomai / Langas "Siuntimas į CSP" lange, skirtuke Parametrai, įveskite objekto, linijos ir imtuvo numerius.
-
(Rekomenduojama) Sukonfigūruokite Atsarginio kanalo režimo nustatymus.
-
(Rekomenduojama) Įveskite Atsarginio SMS kanalo telefono numerį.
Lange „SIM kortelė“:

-
Įveskite SIM kortelės PIN kodą.
-
Pakeiskite APN vardą. Jį rasite SIM operatoriaus interneto puslapyje. „Internet” yra universalus ir veikia daugelio operatorių tinkluose.
Baigę konfigūravimą paspauskite mygtuką Įrašyti [F5] ir atjunkite USB kabelį.
Pastaba
Plačiau apie kitus G16 nustatymus TrikdisConfig žr. skyrių 6 „TrikdisConfig langų aprašymas".
3. Sujungimų schemos, įrengimas ir paleidimas veikti¶
3.1 Tvirtinimas¶
-
Nuimkite viršutinį dangtelį, ištraukite kontaktinių kaladėlių kištukinę dalį.
-
Įstatykite nano-SIM kortelę.
-
Išimkite plokštę iš korpuso pagrindo.
-
Korpuso pagrindą savisriegiais pritvirtinkite pageidaujamoje vietoje.
-
Įstatykite plokštę į korpuso pagrindą ir įstatykite kontaktines kaladėles.
-
Prisukite GSM anteną.
-
Uždarykite viršutinį dangtį.


Pastaba
Įsitikinkite, kad SIM kortelė yra aktyvuota. / Įsitikinkite, kad įjungta mobilaus interneto paslauga, jei bus naudojama Protegus programėlė arba ryšys su pultu IP kanalu. / Jei norite išvengti PIN kodo įvedimo TrikdisConfig, įdėkite SIM kortelę į telefoną ir išjunkite PIN kodo užklausos funkciją.
3.2 Apsaugos centralių prijungimo schemos su komunikatoriumi¶
Sujunkite komunikatorių su centrale pagal vieną iš žemiau pateiktų prijungimo schemų.





3.3 G16 prijungimo schema prie centralės jungiklio (angl. keyswitch) zonos¶
Vadovaukitės šia schema, jei apsaugos centralė bus valdoma su G16 PGM išėjimu įjungiant/išjungiant centralės jungiklio (angl. keyswitch) zoną.
Pastaba
G16 komunikatorius turi du programuojamus išėjimus OUT (PGM), kurie gali valdyti dvi apsaugos sistemos sritis. Valdant šiuo būdu, TrikdisConfig lange Langas „Sistemos parinktys" turi būti nuimta varnelė prie Nuotolinis centralės valdymas. Programėlėje Protegus reikia padaryti nustatymus, kurie aprašyti p. 5.2 „Papildomi nustatymai sistemos įjungimui/išjungimui su jungiklio zoną".

3.4 Įėjimo prijungimo schemos¶
Komunikatorius turi vieną įėjimo gnybtą (IN1) prijungti NC, NO, NO/EOL, NC/EOL, NO/DEOL, NC/DEOL tipo grandinėms. Gamyklinis įėjimo nustatymas – stebėti NO tipo grandinę. Kitą įėjimo tipą galima nustatyti TrikdisConfig lange Langas „Sistemos parinktys“ -> Įėjimo IN1 tipas.
NC, NO, NO/EOL, NC/EOL, NO/DEOL, NC/DEOL tipo grandinių laidinių sujungimų schemos:


Pastaba
Jei reikia, kad komunikatorius turėtų daugiau įėjimų IN arba išėjimų OUT, arba turėtų magistralę temperatūros jutikliui, prijunkite laidinį arba belaidį TRIKDIS iO serijos įėjimų ir išėjimų plėtiklį.
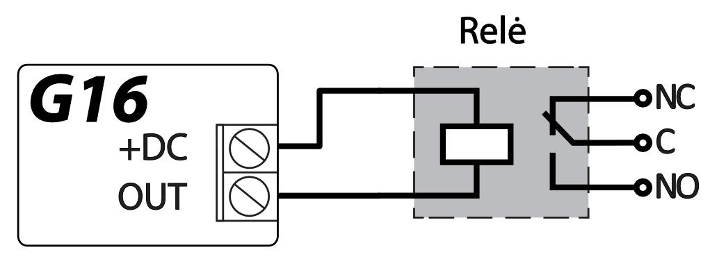
3.5 Relės prijungimo schema¶
Nuotoliniu būdu su relės kontaktais galima valdyti (įjungti/išjungti) įvairius elektrinius prietaisus.

3.6 iO serijos plėtimo modulių prijungimo schemos¶
Jei reikia, kad komunikatorius turėtų daugiau įėjimų IN arba išėjimų OUT, arba turėtų magistralę temperatūros jutikliui, prijunkite laidinį arba belaidį TRIKDIS iO serijos įėjimų ir išėjimų plėtiklį. G16 konfigūravimas su plėtimo moduliais aprašytas p. 6.6. „Langas „RS485 moduliai“.

3.7 WiFi modulio W485 prijungimo schema¶
Modulis W485 skirtas įvykių siuntimui ir valdymui naudojant WiFi interneto ryšį. Naudojant W485 kartu su G16 pranešimai į CSP ir į Protegus siunčiami Wi-Fi interneto tinklu ir mobilus internetas nenaudojamas. Jei sutrinka Wi-Fi ryšys duomenys perduodami per mobilųjį internetą. Atsistačius WiFi ryšiui, G16 pradeda toliau siusti pranešimus per W485. / G16 konfigūravimas su WiFi moduliu W485 aprašytas p. 6.6. „Langas „RS485 moduliai“. / Komunikatoriuje G16 turi būti įstatyta SIM kortelė, kad veiktu W485.

3.8 „Ethernet“ modulio E485 prijungimo schema¶
Modulis E485 skirtas įvykių siuntimui ir valdymui naudojant laidinį interneto ryšį. Naudojant E485 kartu su G16 pranešimai į CSP ir į Protegus siunčiami laidiniais interneto tinklais ir mobilusis internetas nenaudojamas. Jei sutrinka laidinis interneto tinklas duomenys į CSP perduodami per mobilųjį internetą. Atsistačius laidinio interneto tinklui, G16 pradeda toliau siusti pranešimus per E485. / G16 konfigūravimas su „Ethernet“ moduliu E485 aprašytas p. 6.6. „Langas „RS485 moduliai“. / Komunikatoriuje G16 turi būti įstatyta SIM kortelė, kad veiktu E485.

3.9 Komunikatoriaus paleidimas veikti¶
Norint paleisti veikti komunikatorių, reikia įjungti apsaugos centralės maitinimo šaltinį. Turi užsidegti ši G16 komunikatoriaus šviesinė indikacija:
-
Diodas „POWER“ turi šviesti žaliai (pakankama maitinimo įtampa);
-
Diodas „NETWORK“ turi šviesti žaliai ir mirksi geltonai, kai prisiregistravęs prie tinklo.
Pastaba
Pakankamą GSM signalo lygis - 5 (penki „NETWORK" indikatoriaus geltoni mirksniai). Pakankamą 3G signalo lygis - 3 (trys „NETWORK" indikatoriaus geltoni mirksniai). / Jeigu suskaičiuojate mažiau geltonų „NETWORK" diodo mirksnių, tai GSM signalo lygis nepakankamas. Rekomenduojame arba pasirinkti kitą komunikatoriaus įrengimo vietą, arba naudoti jautresnę GSM anteną. / Jei šviesinė indikacija kitokia, kad nustatytumėte, kas nutikę žiūrėkite skyrių 1.6 „Šviesinė veikimo indikacija". / Jei G16 indikacija visai nešviečia, patikrinkite maitinimo šaltinį ir sujungimus.
4. Apsaugos centralių programavimas¶
Žemiau aprašome, kaip reikia programuoti apsaugos centrales, kad komunikatorius G16 galėtų nuskaityti centralės pranešimus ir ją tiesiogiai valdyti nuotoliniu būdu.
Jei norite įgalinti nuotolinį centralės valdymą, įsitikinkite, kad yra uždėta varnelė prie Nuotolinis centralės valdymas TrikdisConfig lange Langas „Sistemos parinktys“.
4.1 DSC¶
DSC centralių programuoti nereikia.
4.2 PARADOX¶
Paradox centrales reikia programuoti tik tiesioginiam valdymui su Protegus. Pranešimų nuskaitymui Paradox centralių programuoti nereikia.
Nuotoliniam Paradox centralių valdymui reikia nustatyti PC prisijungimo slaptažodį (angl. „PC download password“). Šis slaptažodis turi sutapti su slaptažodžiu, kurį nustatėte TrikdisConfig lange Langas „Sistemos parinktys“ uždėjus varnelę Nuotolinis centralės valdymas atsiradusiame lauke.
Norėdami nustatyti šį slaptažodį, su prie apsaugos centralės prijungta klaviatūrą:
-
MAGELLAN, SPECTRA serijose: eikite į ląstelę 911 ir įveskite 4 skaičių PC prisijungimo slaptažodį.
-
DIGIPLEX EVO serijai: eikite į ląstelę 3012 ir įveskite 4 skaičių PC prisijungimo slaptažodį.
4.3 TEXECOM¶
Texecom centrales reikia programuoti tiek pranešimų nuskaitymui, tiek ir nuotoliniam valdymui.
Reikia nustatyti Texecom centralės UDL passcode. Šis slaptažodis turi sutapti su slaptažodžiu, kurį nustatėte TrikdisConfig lange Langas „Sistemos parinktys“ uždėjus varnelę Nuotolinis centralės valdymas atsiradusiame lauke.
Centralę galite programuoti su Texecom programine įranga Wintex. Įveskite UDL passcode (4 skaičių kodas) lange Communication Option, skirtuke Options.
Taip pat galite programuoti ir su prie apsaugos centralės prijungta klaviatūra:
-
Įveskite 4 skaitmenų instaliuotojo kodą ir paspauskite [Menu] mygtuką, kad įeitumėte į programavimo meniu.
-
Iškart po to paspauskite mygtuką [9].
-
Paspauskite [7][6], ir tada [2]. Įveskite 4 skaitmenų UDL passcode (UDL passcode turi sutapti su G16 komunikatoriaus PC prisijungimo slaptažodžiu).
-
Paspauskite [Yes] ir išeikite iš programavimo rėžimo paspaudę [Menu].
4.4 UTC INTERLOGIX(CADDX)¶
Prie centralės prijungtoje klaviatūroje:
-
Paspauskite [*][8] ir įveskite instaliuotojo kodą (gamyklinis 9713).
-
Įveskite įrenginio numerį, kuris priskirtas prijungtam komunikatoriui (gamyklinis – 0).
-
Nustatykite žemiau kiekvienoje eilutėje nurodytus nustatymus. Iš eilės paspauskite vietos, segmento skaičius ir įveskite reikiamą nustatymą. Paspaudus [*] (žvaigždutę) jus sugrąžins į vietos įvedimo lauką.
| Vieta | Segmentas | Nustatymas |
|---|---|---|
| 23 | 3 | 12345678 |
| 37 (nebūtina) | 3 | 12345678 |
| 37 (nebūtina) | 4 | 1234567* |
| 90 | 3 | 12345678 |
| 93 | 3 | 12345678 |
| 96 | 3 | 12345678 |
| 99 | 3 | 12345678 |
| 102 | 3 | 12345678 |
| 105 | 3 | 12345678 |
| 108 | 3 | 12345678 |
Suprogramavę visus nurodytus laukus, paspauskite [Exit] du kartus, kad išeitumėte iš programavimo režimo.
4.5 INNERRANGE¶
Innerrange Inception centralės programinės įrangos versija turi būti 2.3.0.3507-r0 arba aukštesnė.
Centralę turi būti prijungta prie interneto. Prisijunkite prie Innerrange Inception centralės surinkę: https://skytunnel.com.au/inception/SERIALNUMBER, kur SERIALNUMBER – įvedamas valdiklio serijinis numeris, kuris nurodytas ant centralės korpuso.
Atidarykite langus Configuration>General>Alarm Reporting. Parinkčių grupėje 3rd Party Device Reporting reikia nustatyti:

-
Enable 3rd Party Device Reporting – pažymėti šį lauką.
-
3rd Party Device Type – nustatyti „Trikdis“.
-
Serial port – nustatyti „Serial Port 1 (Plugged In, In Use By 3rd Party Device)“.
-
Išsaugoti nustatymus ir išeiti iš programos.
Innerrange Integriti. Centralės programinės įrangos versija turi būti 19.1.0.36608, profesionalios programinės įrangos versija 19.1.0.15396 arba aukštesnė.
Centralės konfigūravimo programoje nurodykite Trikdis ryšio protokolą. Duomenų formatas Contact ID. Centralės prievadui TTL Port-0, prie kurio prijungtas komunikatorius G16, numatytieji parametrai 19200, 8, N, 1. Išsaugokite nustatymus ir išeikite iš programos.
4.6 Honeywell Ademco Vista¶
Programavimas skirtas centralėms Honeywell Ademco Vista-20 ir Honeywell Ademco Vista-48. Centralės veikimo programos versija turi būti ne žemesnė nei V5.3. Prie centralės prijungtoje klaviatūroje:
-
Įeiti į programavimo režimą. Įveskite instaliuotojo kodą [4] [1] [1] [2] ir po to [8] [0] [0] . Arba įjunkite centralės maitinimą. 50 sek. bėgyje, po maitinimo įjungimo, nuspauskite kartu mygtukus [*] ir [#] (šis metodas taikomas, kai buvo išeita iš programavimo režimo nuspaudžiant klaviatūroje [*][9][8] ).
-
Įjunkite CID siuntimą per LRR. Klaviatūroje nuspauskite [*][2][9][1][#] .
-
Naudojant „Nuotolinis centralės valdymas“ funkcija, leiskite naudoti 2-ą AUI adresą. Klaviatūroje nuspauskite [*][1][8][9][1][1][#] .
-
Išeikite iš programavimo režimo. Klaviatūroje nuspauskite [*][9][9] .
4.7 Crow¶
Crow Runner 4/8 ir Runner 8/16 centralių programuoti nereikia.
5. Nuotolinis valdymas¶
5.1 Apsaugos sistemos pridėjimas Protegus programėlėje¶
Su Protegus vartotojai galės valdyti savo apsaugos sistemą nuotoliniu būdu. Jie taip pat matys sistemos būseną ir gaus pranešimus apie sistemos įvykius.
-
Parsisiųskite ir paleiskite Protegus programėlę arba naudokite versiją naršyklėje www.protegus.app:
-
Registruokitės ir susikurkite naują paskyrą arba prisijunkite savo vartotojo vardu ir slaptažodžiu.
Pastaba
Pridėjimo prie Protegus metu G16 turi būti:
-
Įstatyta aktyvuota SIM kortelė ir įvestas arba išjungtas PIN kodas;
-
Įjungta Protegus servisas paslauga. Žr. 6.4 Langas „Pranešimai vartotojui";
-
Įjungtas maitinimas („POWER" LED šviečia žaliai);
-
Prisiregistravęs prie tinklo („NETWORK" LED šviečia žaliai ir mirksi geltonai).
-
Paspauskite Pridėti sistemą ir įveskite G16 „IMEI/Unikalus ID“ numerį. Jį rasite ant gaminio ir pakuotės lipduko. Įvedę, paspauskite „Toliau“.

5.2 Papildomi nustatymai sistemos įjungimui/išjungimui su jungiklio zoną¶
Pastaba
Centralės zonai, prie kurios prijungtas G16 išėjimas OUT, turi būti nustatytas zonos tipas - jungiklis (angl. keyswitch).
Sekite nurodymus žemiau, jei apsaugos centralė bus valdoma su G16 PGM išėjimu įjungiant/išjungiant centralės jungiklio (angl. keyswitch) zoną.
-
Naujame lange šoniniame meniu spustelėkite „Sritys“. Atsidariusiame lange nurodykite, kiek signalizacijos sričių (1 arba 2) yra sistemoje ir paspauskite „Toliau“.

-
Naujame lange nurodykite, koks yra kiekvienos iš nurodytų sričių numeris sistemoje ir spustelėkite „Išsaugoti“.

- Šoniniame meniu paspauskite „Nustatymai“ ir atsidariusiame lange paspauskite „Nustatymai“. Pažymėkite varnele „Naudoti PGM sistemos Įjungimui/išjungimui“ ir nurodykite, kurią sritį valdys išėjimas. Vienas G16 PGM išėjimas gali būti skirtas vienos srities valdymui (1 PGM - 1 sritis; 2 PGM - 2 sritis).

-
Pasirinkite Lygis arba Impulsas, priklausomai nuo to, koks centralės jungiklio zonos (angl. keyswitch) tipas. Taip pat galite pakeisti impulso intervalo trukmę, jei tai reikalinga prijungiamai centralei.
-
Papildomam saugumui, galite pasirinkti „Naudoti programėlės slaptažodį įjungimui/išjungimui”. Tuomet paspaudus mygtuką įjungti/išjungti apsaugos sistemą, atsivers programėlės slaptažodžio įvedimo užklausos langas.
5.3 Sistemos įjungimas/išjungimas su Protegus¶
-
Kad suvaldytumėte sistemą, eikite į Protegus langą „Sritys“.
-
„Sritys“ lange paspauskite ant srities mygtuko. Atsivėrusiame lange pasirinkite veiksmą (įjungti arba išjungti apsaugos sistemos sritį).
-
Paprašius, įveskite vartotojo kodą arba Protegus slaptažodį.

5.4 Konfigūravimas ir valdymas SMS žinutėmis¶
Komunikatorių nuotoliniu būdu galima valdyti ir konfigūruoti SMS pranešimais.
SMS pranešimo struktūra: Slaptažodis [tarpas] Komanda [tarpas] Duomenys
Kaip slaptažodį naudokite Administratoriaus kodą (gali įvykdyti INFO, RESET, OUTPUT1, CONNECT komandas) arba Instaliatoriaus kodą (gali įvykdyti INFO, RESET, OUTPUT1 komandas).
5.4.1 SMS komandų sąrašas¶
| Komanda | Duomenys | Aprašymas |
|---|---|---|
| INFO | Informacijos apie įrenginį užklausa. Į atsakymą bus įtraukti: įrenginio tipas, IMEI numeris, serijos numeris ir programinės įrangos versija. Pvz.: 123456 INFO | |
| RESET | Prietaiso paleidimas veikti iš naujo. Pvz.: 123456 RESET | |
| OUTPUTx | ON | x - G16 išėjimo numeris (1 arba 2) |
| OUTPUTx | OFF | Įjungti išėjimą OUTPUT1. Pvz.: 123456 OUTPUT1 ON |
| OUTPUTx | PULSE=tttt | Išjungti išėjimą OUTPUT1. Pvz.: 123456 OUTPUT1 OFF |
| OUTPUTx | Įjungti išėjimą OUTPUT2 tam tikram laikui. “tttt” yra impulso trukmė sekundėmis, nurodoma keturiais skaitmenimis. Pvz.: 123456 OUTPUT2 PULSE=0002 | |
| CONNECT | Protegus=ON | Įjungti prieigą prie Protegus paslaugos. Pvz.: 123456 CONNECT PROTEGUS=ON |
| CONNECT | Protegus=OFF | Išjunti prieigą prie Protegus paslaugos. Pvz.: 123456 CONNECT PROTEGUS=OFF |
| CONNECT | IP=0.0.0.0:8000 | Nustatyti pirminio ryšio kanalo IP adresą ir Prievado numerį. / Pvz. 123456 CONNECT IP=192.120.120.255:8000 |
| CONNECT | ENC=123456 | Nustatyti TRK šifravimo raktą. Pvz.: 123456 CONNECT ENC=123456 |
| CONNECT | APN=Internet | Nustatyti APN vardą. Pvz.: 123456 CONNECT APN=INTERNET |
| CONNECT | USER=user | Nustatyti APN naudotoją. Pvz.: 123456 CONNECT USER=User |
| CONNECT | PASS=password | Nustatyti APN slaptažodį. Pvz.: 123456 CONNECT PASS=Password |
| CONNECT | CP= | Įjungti/išjungti telefoninės linijos „DTMF“ sąsają (1- Išjungti ; 2 - Įjungti). / Pvz. 123456 CONNECT CP=2 |
Galite apriboti, iš kurių telefono numerių siunčiamas komandas įrenginys priims ir vykdys. Kaip tai atlikti aprašyta skyriuje 6.4 Langas „Pranešimai vartotojui”, skirtuke “Valdymas SMS žinutėmis”.
6. TrikdisConfig langų aprašymas¶
6.1 TrikdisConfig būsenos juostos aprašymas¶
Prijungus G16 TrikdisConfig būsenų juostoje pateiks informaciją apie prijungtą gaminį.

| Pavadinimas | Aprašymas |
|---|---|
| Unikalus ID | Gaminio IMEI numeris |
| Būsena | Darbinė būsena |
| Įrenginys | Gaminio tipas (turi rodyti G16) |
| SN | Gaminio serijinis numeris |
| BL | Paleidyklės versija |
| FW | Gaminio programinės įrangos versija |
| HW | Gaminio aparatinės įrangos versija |
| Būsena | Sujungimo su programa būdas (per USB arba nuotolinis) |
| Administratorius | Prieigos lygis (rodomas po to, kai patvirtintas prieigos kodas) |
Paspaudus mygtuką Skaityti [F4], programa nuskaitys ir parodys nustatymus, kurie yra įrašyti G16. Su TrikdisConfig, nustatykite reikiamus nustatymus pagal žemiau pateiktus programos langų aprašymus.
6.2 Langas „Sistemos parinktys“¶

Parinkčių grupė „Pagrindinės“
-
Objekto numeris – jei pranešimai bus siunčiami į CSP (centralizuoto stebėjimo pultą), įrašykite CSP suteiktą objekto numerį (4 simbolių šešioliktainis numeris, 0-9, A-F. Nenaudokite FFFE, FFFF objekto numerių.).
-
Pasirinkite Centralės modelį, kurį jungsite prie komunikatoriaus.
-
Nuotolinis centralės valdymas – kai langelį pažymėsite varnele, G16 centralę valdys tiesiogiai nuotoliniu būdu. Šis nustatymas rodomas tiesiogiai valdomoms centralėms. Tiesioginiam centralės valdymui reikia pakeisti apsaugos centralės nustatymus, tai aprašyta skyriuje 4 „Apsaugos centralių programavimas“.
-
Centralės PC download/UDL slaptažodis – Paradox ir Texecom centralių tiesioginiam valdymui reikia suvesti PC/UDL slaptažodį. Jis turi sutapti su slaptažodžiu, kuris įvestas centralėje. Kaip pakeisti šį slaptažodį centralėje aprašyta skyriuje 4 „Apsaugos centralių programavimas pranešimų nuskaitymui ir tiesioginiam valdymui“.
-
Įėjimo IN1 tipas - parinkite įėjimo tipą iš sąrašo (NO, NC, NO/EOL, NC/EOL, NO/DEOL, NC/DEOL).
-
Įšėjimų OUT1 ir OUT2 veikimas - parinkite išėjimo veikimo funkciją iš sąrašo.
-
Laiko sinchronizavimas - pasirinkite, kurį serverį naudoti laiko sinchronizacijai.
Parinkčių grupė „Prisijungimas“
-
Administratoriaus kodas – leidžia prieiti prie visų konfigūravimo funkcijų (gamyklinis kodas – 123456).
-
Instaliuotojo kodas – leidžia ribotai keisti komunikatoriaus konfigūraciją (gamyklinis kodas – 654321).
-
„Atkurti” gali tik administratorius – uždėjus varnelę, gaminiui atkurti gamyklinius parametrus bus leidžiama tik įvedus administratoriaus kodą.
Pastaba: jei laukelis „Atkurti“ gali tik administratorius pažymėtas, o administratoriaus kodo nežinote, gamyklinius parametrus galės atkurti tik gamintojas – UAB „Trikdis“. Paslauga mokama.
- Leisti instaliuotojui keisti – administratorius gali nustatyti, kuriuos parametrus galės keisti instaliuotojas.
6.3 Langas “Siuntimas į CSP”¶
Skirtukas „CSP parametrai“

Komunikatorius siunčia pranešimus į stebėjimo pultą per internetą (IP) arba SMS pranešimais.
Pranešimai gali būti siunčiami keliais ryšio kanalais. Pirmas ir antras ryšio kanalai gali veikti lygiagrečiai, taip komunikatorius gali siųsti įvykius tuo pačiu metu į du imtuvus. Tiek pirmam, tiek ir antram kanalui galima priskirti atsarginį ryšio kanalą, kuris bus naudojamas nutrūkus ryšiui pirminiu kanalu.
Pranešimai į stebėjimo pultą perduodami užkoduoti ir apsaugoti slaptažodžiu. Pranešimams priimti ir perduoti į stebėjimo programą reikalingas TRIKDIS imtuvas:
-
IP pranešimams – priėmimo programa IPcom Windows/Linux, aparatinis IP/SMS imtuvas RL14 arba daugiakanalis imtuvas RM14.
-
SMS pranešimams – aparatinis IP/SMS imtuvas RL14, daugiakanalis imtuvas RM14 arba SMS imtuvas GM14.
Ryšys su SMS pranešimais yra ypatingai naudingas kaip atsarginis kanalas, nes veikia, kai sutrinka mobiliojo interneto ryšys operatoriaus tinkle. Nerekomenduojame naudoti SMS kaip pirminio kanalo.
Parinkčių grupė „Pirmas ryšio kanalas”
-
Ryšio būdas – pasirinkite ryšio su stebėjimo pulto imtuvu būdą (IP, SMS).
-
Protokolas – TRK protokolu perduodamus įvykių pranešimus priims Trikdžio IP imtuvai; SIA DC-09 protokolais – IP imtuvai, gebantys priimti SIA DC-09 protokolais perduodamus įvykių pranešimus; TL150 protokolu perduodamus įvykių pranešimus priims SUR-GARD IP imtuvai.
-
TRK šifravimo raktas – 6 skaitmenų pranešimų šifravimo raktas. Į komunikatorių įrašytas šifravimo raktas turi būti toks, koks įrašytas į imtuvą, t.y. turi sutapti, būti vienodas.
-
Domenas arba IP – įrašykite imtuvo domeno arba IP adresą.
-
Prievadas – įrašykite imtuvo prievado (angl. port) numerį tinkle.
-
TCP arba UDP – pasirinkite įvykių perdavimo protokolą (TCP arba UDP).
-
Telefono numeris (tik SMS pranešimams) – įrašykite TRIKDIS SMS imtuvo telefono numerį. Telefono numeris turi būti su šalies kodu (pvz., 370xxxxxxxx).
Parinkčių grupė „Lygiagretusis ryšio kanalas”
Šio kanalu pranešimai perduodami lygiagrečiai su pirmu kanalu. Įgalinus antrą kanalą pranešimai gali būti siunčiami vienu metu į du imtuvus (pvz., į lokalų ir į centralizuotą stebėjimo pultus). Lygiagretaus ryšio kanalo nustatymo laukai tokie patys kaip aprašyta aukščiau.
Parinkčių grupės „Atsarginio kanalo režimas”
Įgalinkite atsarginio kanalo režimą, kad, nutrūkus ryšiui, įvykiai būtų siunčiami atsarginiu kanalu. Sukonfigūruokite atsarginį kanalą, nustatymo laukai tokie patys kaip aprašyta aukščiau.
Atsarginio SMS kanalo numeris
Atsarginiu SMS kanalu pranešimai siunčiami tada, kai jų nepavyksta perduoti pirmu, antru ir atsarginiu kanalais. Jis ypatingai naudingas, nes veikia net ir tada, kai sutrinka IP ryšys mobiliojo ryšio operatoriaus tinkle.
Šis kanalas veikia tik tada, kai yra nustatytas IP režimas pirmame kanale ir jo atsarginiame kanale.
SMS pranešimai bus siunčiami į stebėjimo pulto SMS imtuvą: 1) iš karto, pradėjus veikti komunikatoriui pirmą kartą; ir 2) po TCP/IP ar UDP/IP ryšio nutrūkimo pirmame kanale ir jo atsarginio ryšio kanale.
- Atsarginio SMS kanalo numeris – įrašykite TRIKDIS stebėjimo pulto SMS imtuvo GM14 telefono numerį. Telefono numeris turi būti su šalies kodu (pvz., 370xxxxxxxx).
Skirtukas „Parametrai“

Parinkčių grupė „Parametrai“
-
Testo periodas – ryšio tikrinimo TEST pranešimų periodas. Jie siunčiami kaip Contact ID pranešimai ir perduodami į stebėjimo programą.
-
IP ping periodas – vidinių PING ryšio tikrinimo signalų siuntimo periodas. Šie pranešimai siunčiami tik IP kanalu.
Jų imtuvas neperduoda į stebėjimo programą, taip jos neapkraudamas. Į stebėjimo programą perduodama tik tada, kai imtuvas negauna PING pranešimo iš įrenginio per nustatytą laiką.
Numatytai imtuvas perduos „Connection lost” prarasto ryšio pranešimą į stebėjimo programą praėjus trigubai ilgesniam laikui nei nustatytas komunikatoriaus PING pranešimo periodas. Pvz., jei nustatytas 3 minučių PING, imtuvas perduos prarasto ryšio pranešimą negavęs PING per 9 minutes.
Kartu PING pranešimai palaiko aktyvią ryšio sesiją tarp įrenginio ir imtuvo. Aktyvi sesija reikalinga, kad komunikatorių būtų galima konfigūruoti ir valdyti nuotoliniu būdu. Rekomenduojame nustatyti ne ilgesnį nei 5 minučių PING periodą.
-
Pereiti į atsarginį po - nurodomas nesėkmingų bandymų perduoti pranešimą Pagrindiniu kanalu skaičius. Nepavykus perduoti nustatytą skaičių kartų, įrenginys jungsis perduoti pranešimus Atsarginiu kanalu.
-
Grįžti iš atsarginio po - laikas, kuriam pasibaigus, G16 bandys atstatyti ryšį ir perduoti pranešimus Pagrindiniu kanalu.
-
DNS1, DNS2 – (angl. Domain Name System) nurodomas serveris, kuris nurodo domeno IP adresą. Naudojamas, kai ryšio kanalo Domenas arba IP lauke nurodytas ne IP adresas, o domenas. Gamykliškai nustatyti Google DNS serverių adresai.
Parinkčių grupė „DC-09 parametrai“
Nustatymai rodomi, kai ryšio kanalo Protokolas lauke pasirinkta DC-09_2007 arba DC-09_2012 koduotė pranešimų siuntimui.
-
DC-09 obj. Nr. – įveskite objekto numerį. Pasirinkus DC-09 koduotę, bus naudojamas šiame lauke įrašytas objekto numeris. Galite įvesti 3-16 simbolių šešioliktainį numerį, kurį suteikia stebėjimo pultas.
-
DC-09 linijos Nr. – įveskite linijos numerį imtuve.
-
DC-09 imtuvo Nr. – įveskite imtuvo numerį.
6.4 Langas „Pranešimai vartotojui”¶
Skirtukas “Protegus servisas”

Protegus paslauga leidžia vartotojams nuotoliniu būdu stebėti ir valdyti komunikatorių. Daugiau informacijos apie Protegus paslaugą rasite www.protegus.app.
Parinkčių grupė „Protegus servisas“
-
Leisti prisijungti – Protegus serviso įjungimas, G16 galės keistis duomenimis su Protegus programėle ir bus galima su TrikdisConfig atlikti konfigūravimą nuotoliniu būdu.
-
PROTEGUS Cloud prieigos kodas - prisijungimo su Protegus 6 skaitmenų kodas (gamyklinis kodas - 123456).
Skirtukas “SMS ir skambučiai”

Galite nustatyti, kad vartotojai apie įvykius būtų informuojami SMS pranešimais arba skambučiu.
-
Objekto pavadinimas – suteikite pavadinimą sistemai, prie kurios prijungtas komunikatorius. Kiekvienas SMS pranešimas bus perduodamas su objekto pavadinimu.
-
SMS kalba - parinkite SMS pranešimų kalbą (SMS pranešimai gali būti siunčiami įvairiais rašmenimis).
-
“Telefono numeris SMS/skambučio pranešimams” lentelė – įrašykite iki 4 vartotojų telefono numerius, kuriems bus siunčiami pranešimai arba skambinama. Telefono numeriai turi būti su šalies kodu, pavyzdžiui, +370xxxxxxxx, 00370xxxxxxxx ar 370xxxxxxxx.
-
„Srities pavadinimas”, „Vartotojo vardas”, „Zonos pavadinimas” lentelės – kiekvienam vartotojui, zonai ar sričiai gali būti suteiktas pavadinimas, kuris bus naudojamas SMS pranešimuose. Į atitinkamą lentelę įrašykite vartotojo, zonos arba srities eilės numerį ir greta numerio įrašykite pavadinimą.
-
CID įvykių lentelė – galite pakeisti, į kuriuos telefono numerius bus siunčiami SMS pranešimai arba skambinama apie kiekvieną iš įrašytų įvykių.
Galite pakeisti įvykių SMS žinučių tekstus, pakeisti Contact ID (CID) kodus, ir įrašyti naujus įvykius bei jų aprašymus.
Skirtukas “Valdymas SMS žinutėmis”

Galite į komunikatorių nusiųsti SMS komandą, kuri suvaldys išėjimą arba pakeis nustatymus. Valdymo SMS komandas rasite skyriuje 5.4 „Konfigūravimas ir valdymas SMS žinutėmis“.
-
SMS atsakymo žinutės tekstas – SMS tekstas, kurį vartotojas gauna po SMS komandos išsiuntimo. SMS žinutės tekstą galima redaguoti.
-
Telefono numeriai nuotoliniam valdymui – galite įrašyti telefono numerius, iš kurių siunčiamas komandas įrenginys priims ir vykdys.
Pastaba
Jeigu nebus įrašytas nei vienas telefono numeris, įrenginys priims komandas iš bet kurio telefono numerio. Bet kuriuo atveju saugumą užtikrina reikalavimas į SMS komandą įvesti administratoriaus arba instaliuotojo slaptažodį.
6.5 Langas “SIM kortelė”¶
Pastaba
1. Prieš naudodami SIM kortelę, įsitikinkite, ar ji aktyvuota. / 2. Jei bus naudojamas mobilusis interneto ryšys pranešimams perduoti IP kanalu į saugos tarnybos imtuvą arba į Protegus, patikrinkite, ar įjungta mobiliųjų duomenų perdavimo paslauga.

Parinkčių grupė „SIM kortelė“
-
SIM kortelės PIN kodas – įveskite SIM kortelės PIN kodą. Šį kodą galite išjungti įdėdami SIM kortelę į mobilų telefoną ir išjungdami šią užklausą. Jei PIN kodo užklausą SIM kortelėje išjungėte, laukelyje palikite gamyklos įvestą reikšmę.
-
APN – įveskite APN (angl. Access Point Name). Jis reikalingas, kad komunikatorius galėtų prisijungti prie interneto. APN rasite SIM operatoriaus interneto puslapyje. „Internet” yra universalus ir veikia daugelio operatorių tinkluose.
-
Vartotojas, slaptažodis – jei reikia, įveskite vardą ir slaptažodį prisijungimui prie APN.
- Nutraukti registraciją esant tarptinkliniam ryšiui – funkcija draudžianti komunikatoriui jungtis prie užsienio šalies GSM ryšio tiekėjo tinklų. Pažymėkite šį laukelį, jei komunikatorius įrengtas netoli pasienio ar pasienyje.
6.6 Langas „RS485 moduliai“¶
Prie komunikatoriaus galima prijungti iO serijos plėtiklius, kuriais pridėsite papildomus įėjimus, valdomus išėjimus ir magistralę temperatūros jutikliams. Prijungti plėtikliai turi būti įtraukti į Modulių sąrašo lentelę.

Parinkčių grupė „RS485 moduliai“
-
Nr – modulio eilės numeris.
-
Modulio tipas – iš sąrašo išrinkite prie komunikatoriaus RS485 magistralės prijungtą modulį.
-
Serijos numeris – įveskite prijungto modulio serijinį numerį (6 skaitmenys). Numerį rasite ant lipduko, užklijuoto ant prijungto modulio arba jo įpakavimo dėžutės.
Išrinkus prijungtą modulį ir nurodžius jo serijos numerį, nuspauskite mygtuką Įrašyti [F5]. Kai pakeitimas bus įrašytas, atjunkite USB Mini-B kabelį nuo komunikatoriaus. Palaukite apie minutę (komunikatorius turi priregistruoti prijungtą modulį). Prijunkite USB Mini-B kabelį prie komunikatoriaus. Nuspauskite mygtuką Skaityti [F4]. Pereikite prie RS485 moduliai → Modulis.
Skirtukai „Modulis“
Prie komunikatoriaus pridėjus plėtiklį kaip aprašyta aukščiau, RS485 moduliai lange atsiras naujas skirtukas su šio modulio nustatymais. Skirtukui suteikiamas eilės numeris. Žemiau aprašome nustatymų laukus iO-8 ir iO serijos plėtikliams, WiFi moduliui W485, „Ethernet“ moduliui E485.
iO-8 plėtiklio nustatymų langas

Plėtiklis iO-8 turi 8 universalius (įėjimo/išėjimo) gnybtus. Galima prijungti keturis iO-8 plėtiklius.
- Įėjimų skaičius - pasirinkite, kiek gnybtų priskirti įėjimo (IN) režimą. Likę kontaktai taps valdomais išėjimais (OUT).
Valdomų išėjimų nustatymai (priskirti išėjimą apsaugos sistemos įjungimui/išjungimui arba naudoti nuotoliniam įrenginių valdymui) atliekami tiesiogiai Protegus programėlėje.
Lentelėje įėjimams (INPUT) galima priskirti Contact ID įvykių ir atsistatymo kodus. Suveiksminus įėjimą, komunikatorius išsiųs pranešimą su nurodytu įvykio kodu į stebėjimo pulto imtuvą, Protegus programėlę ir SMS (į vartotojo telefono numerį).
Contact ID įvykio kodas:
-
Įgalinti – leisti pranešimo siuntimą, kai suveiksminamas įėjimas.
-
Į/A – galima pasirinkti, kokio tipo pranešimas bus siunčiamas suveiksminus įėjimą – Įvykis arba Atsistatymas.
-
CID – įėjimui priskiriamas suveikimo Contact ID kodas.
-
Sritis – nurodoma sritis, kuriai priskirtas įėjimas. Nusistato automatiškai: jei modulis Nr. 1, tai sritis 91; jei modulis Nr. 4, tai sritis 94.
-
Zona – įėjimui priskiriamas zonos numeris, kuris bus įrašytas pranešime.
Contact ID atsistatymo kodas:
-
Įgalinti - leisti pranešimo siuntimą, kai įvyksta atsistatymas.
-
Į/A - galima pasirinkti, kokio tipo pranešimas bus siunčiamas įėjimui atsistačius – Atsistatymas arba Įvykis.
-
CID - įėjimui priskiriamas atsistatymo Contact ID kodas.
-
Sritis - nurodoma sritis, kuriai priskirti įėjimai. Nusistato automatiškai, jei modulis Nr. 1, tai sritis 91. Jei modulis Nr. 4, tai sritis 94.
-
Zona - įėjimui priskiriamas zonos numeris, kuris bus įrašytas pranešime.
-
Objekto ID – įėjimui (IN) gali būti priskirtas objekto numeris, kuris skirsis nuo komunikatoriaus G16 objekto numerio.
-
Įėjimo tipas – nurodomas įėjimo tipas (NO arba NC).
Kad vartotojams apie įėjimų suveikimus būtų siunčiami SMS pranešimai arba skambinama, įrašykite įėjimui priskirtą Contact ID įvykio kodą į lentelę lange Langas „Pranešimai vartotojui” → SMS ir skambučiai.
iO plėtiklio nustatymų langas

Plėtiklis iO turi: 1 įėjimo, 1 išėjimo (relės kontaktai) gnybtus ir 1-Wire magistralę temperatūros jutiklių prijungimui.
-
Įėjimo IN1 tipas – nurodomas įėjimo tipas (NO arba NC).
-
Max ◦C(T1) – didžiausia ribinė temperatūros daviklio reikšmė, kurią viršijus bus formuojamas pranešimas apie įvykį. Kad būtų formuojamas pranešimas, jis turi būti įgalintas lentelėje.
-
Min ◦C(T2) – mažiausia ribinė temperatūros daviklio reikšmė, žemiau kurios nukritus, bus formuojamas pranešimas apie įvykį. Kad būtų formuojamas pranešimas, jis turi būti įgalintas lentelėje.
Lentelėje įvykiams galima priskirti Contact ID įvykių ir atsistatymo kodus. Suveiksminus įėjimą, komunikatorius pranešimą su nurodytu įėjimo kodu išsiųs į stebėjimo pulto imtuvą ir Protegus programėlę. Nustatykite kaip aprašyta ankstesniame puslapyje apie iO-8 plėtiklio nustatymų langą.
6.6.1 WiFi modulio W485 nustatymų langas¶

-
DHCP režimas – WiFi modulio registracijos tinkle rėžimas (rankinis (Statinis) arba automatinis (DHCP)).
-
Statinis IP – statinis IP adresas esant rankiniam registracijos rėžimui.
-
Potinklio kaukė – potinklio kaukė esant rankiniam registracijos rėžimui.
-
Numatytasis šliuzas – tinklų sietuvo adresas esant rankiniam registracijos rėžimui.
-
Wifi SSID pavadinimas - WiFi tinklo (prie kurio jungsis modulis W485)pavadinimas.
-
Wifi SSID slaptažodis - WiFi tinklo slaptažodis.
Lentelėje RS485 duomenų magistralės ryšio sutrikimo įvykiui galima priskirti Contact ID įvykio ir atsistatymo kodus. Sutrikus arba atsistačius ryšiui tarp W485 ir G16, komunikatorius G16 pranešimą su nurodytu CID kodu išsiųs į stebėjimo pulto imtuvą ir Protegus programėlę.
Pastaba
Kad pranešimai būtu siunčiami į CSP ir į Protegus reikia sukonfigūruoti G16, žr. p. 2.2 „Nustatymai ryšiui su stebėjimo pultu" ir p. 2.1 „Nustatymai ryšiui su Protegus programėle". / Komunikatoriuje G16 turi būti įstatyta SIM kortelė, kad veiktu W485.
6.6.2 „Ethernet“ modulio E485 nustatymų langas¶

-
DHCP režimas – „Ethernet“ modulio registracijos tinkle rėžimas (rankinis (Statinis) arba automatinis (DHCP)).
-
Statinis IP – statinis IP adresas esant rankiniam registracijos rėžimui.
-
Potinklio kaukė – potinklio kaukė esant rankiniam registracijos rėžimui.
-
Numatytasis šliuzas – tinklų sietuvo adresas esant rankiniam registracijos rėžimui.
Lentelėje RS485 duomenų magistralės ryšio sutrikimo įvykiui galima priskirti Contact ID įvykio ir atsistatymo kodus. Sutrikus arba atsistačius ryšiui tarp E485 ir G16, komunikatorius G16 pranešimą su nurodytu CID kodu išsiųs į stebėjimo pulto imtuvą ir Protegus programėlę.
Pastaba
Kad pranešimai būtu siunčiami į CSP ir į Protegus reikia sukonfigūruoti G16, žr. p. 2.2 „Nustatymai ryšiui su stebėjimo pultu" ir p. 2.1 „Nustatymai ryšiui su Protegus programėle". / Komunikatoriuje G16 turi būti įstatyta SIM kortelė, kad veiktu E485.
6.7 Langas „Įvykių aprašas”¶
Šiame lange galima įjungti, išjungti ir pakeisti įrenginio siunčiamus vidinius pranešimus. Išjungus vidinį pranešimą šiame lange, jis nebus siunčiamas nepriklausomai nuo kitų nustatymų.

-
COMMUNICATION – pranešimas apie ryšio sutrikimą tarp centralės ir G16.
-
IN_ALARM – pranešimas apie įėjimo (IN) grandinės suveikimą.
-
IN_TAMPER – pranešimas apie įėjimo (IN) grandinės tamperio suveikimą.
-
PING – PING ryšio patikros pranešimas.
-
POWER – pranešimas apie žemą maitinimo įtampą.
-
REMOTE_STARTED – pranešimas apie nuotolinį prisijungimą konfigūruoti G16 su TrikdisConfig.
-
REMOTE_FINISHED – pranešimas apie atsijungimą nuo nuotolinio konfigūravimo su TrikdisConfig.
-
START – pranešimas apie G16 prijungimą prie tinklo.
-
TEST – periodinis testo pranešimas.
Pastaba
Norėdami įjungti periodinius TEST pranešimus ir nustatyti laikotarpį, eikite į / Langas "Siuntimas į CSP" → Parametrai → Testo periodas.
- Įgalinti – pažymėjus varnele, įgalinamas pranešimo siuntimas.
Galite pakeisti kiekvieno įvykio Contact ID kodą, taip pat su pranešimu nurodomą zonos ir srities numerį.
6.8 Gamyklinių nustatymų atstatymas¶
Norint atkurti komunikatoriaus gamyklinius nustatymus, reikia nuspausti programos TrikdisConfig mygtuką Atkurti.

- Nuotolinis veikimo parametrų nustatymas
Pastaba
Nuotolinis konfigūravimas veiks tik tuomet, kai G16:
-
Įstatyta aktyvuota SIM kortelė ir įvestas arba išjungtas PIN kodas.
-
Įjungta Protegus servisas paslauga. Žr. 6.4 Langas „Pranešimai vartotojui".
-
Įjungtas maitinimas („POWER" LED šviečia žaliai).
-
Prisiregistravęs prie tinklo („NETWORK" LED šviečia žaliai ir mirksi geltonai).
-
Kompiuteryje paleiskite konfigūravimo programą TrikdisConfig.
-
Lauke Nuotolinė prieiga įveskite komunikatoriaus IMEI/Unikalus ID numerį. Šį numerį rasite ant įrenginio pakuotės ir nugarėlės lipdukų.

-
(Nebūtina) Langelyje Sistemos pavadinimas įveskite norimą komunikatoriaus pavadinimą.
-
Paspauskite Konfigūravimas.
-
Atsidariusiame lange paspauskite Skaityti [F4]. Programai paprašius, įveskite administratoriaus arba instaliuotojo kodą.
-
Nustatykite norimus nustatymus ir pabaigę nuspauskite Įrašyti [F5].
7. GSM komunikatoriaus G16 testavimas¶
Kai konfigūravimas ir instaliavimas baigtas, atlikite sistemos patikrą:
- Sugeneruokite įvykį:
-
įjungdami/išjungdami saugojimo režimą su apsaugos centralės klaviatūra;
-
suveiksmindami centralės zoną esant įjungtam saugojimo režimui.
-
Patikrinkite, ar įvykiai buvo gauti Centriniame stebėjimo pulte ir/arba Protegus programėlėje.
-
Norėdami išbandyti komunikatoriaus įėjimą, suveiksminkite jį ir patikrinkite, ar gavėjai gauna teisingus pranešimus.
-
Norėdami išbandyti komunikatoriaus išėjimus, juos įjunkite nuotoliniu būdu ir patikrinkite jų veikimą.
-
Jei bus naudojamas nuotolinis centralės valdymas, įjunkite bei išjunkite centralės saugojimo režimą nuotoliniu būdu su Protegus programėle.
8. Programinės įrangos atnaujinimas¶
Pastaba
Prijungus komunikatorių prie TrikdisConfig, programa automatiškai pasiūlys atnaujinti įrenginio veikimo programą, jeigu yra atnaujinimų. Šiam veikimui reikalingas interneto ryšys. Antivirusinė programa, ugniasienė arba griežti prieigos prie tinklo nustatymai gali blokuoti automatinių atnaujinimų funkciją.
Komunikatoriaus veikimo programą galima atnaujinti ar pakeisti ir rankiniu būdu. Po atnaujinimo išlieka visi ankstesni komunikatoriaus nustatymai. Veikimo programą įrašant rankiniu būdu, ją galima pakeisti į naujesnę arba senesnę versiją. Atlikite šiuos žingsnius:
-
Paleiskite TrikdisConfig.
-
Prijunkite komunikatorių per USB Mini-B kabelį prie kompiuterio arba prisijunkite prie komunikatoriaus nuotoliniu būdu.
- Jei yra naujesnė gamyklinė programinė įranga, programa pasiūlys įdiegti naujesnės gamyklinės programinės įrangos versijos bylą.
-
Parinkite programos TrikdisConfig meniu Programos naujinimas.

-
Paspauskite mygtuką Atverti failą ir parinkite reikiamą programinės įrangos bylą. Jei neturite bylos, visi tinklapio www.trikdis.lt registruoti vartotojai gali nemokamai parsisiųsti naujausias gaminių programinės įrangos bylas.
-
Paspauskite atnaujinimo mygtuką Naujinti [F12].
-
Palaukite, kol bus atlikti atnaujinimai.
9. Turi nys¶
10. Saugos reikalavimai¶
Komunikatorių turi įrengti ir prižiūrėti kvalifikuoti specialistai.
Prieš instaliavimą prašome atidžiai perskaityti šį vadovą, kad išvengtumėte klaidų, dėl kurių galimi įrangos darbo sutrikimai ar net rimti gedimai.
Prieš jungdami bet kokius elektros kontaktus atjunkite elektros tiekimą.
Dėl bet kokių pakeitimų, modernizavimo ar remonto, kurie atlikti be gamintojo sutikimo, bus nutraukiamas teisės į garantiją galiojimas.
Įrenginys pasibaigus eksploatacijai turi būti utilizuojamas pagal vietinius galiojančius teisės aktus ir jo bei jį sudarančių komponentų negalima išmesti kaip buitinių atliekų.
11. Priedas¶
Komunikatorius gali dirbti su SUR-GARD imtuvu. Komunikatorius, gautus iš signalizacijos centralės, Contact ID kodus konvertuoja į SIA kodus.
Contact ID į SIA kodus konvertavimo lentelė
| Sistemos įvykis | CID kodas | SIA kodas |
|---|---|---|
| Medicininis pavojus | E100 | "MA" |
| Asmeninis pavojus | E101 | "QA" |
| Gaisro aliarmas zonoje: | E110 | "FA" |
| Nuspaustas gaisro pavojaus mygtukas zonoje | E115 | "FA" |
| Vandens nuotėkis zonoje | E113 | "SA" |
| Užpuolimas zonoje: | E120 | "PA" |
| Užpultas vartotojas | E121 | "HA" |
| Užpuolimas zonoje: | E122 | "PA" |
| Užpuolimas zonoje: | E123 | "PA" |
| Užpuolimas zonoje: | E124 | "HA" |
| Užpuolimas zonoje: | E125 | "HA" |
| Aliarmas zonoje: | E130 | "BA" |
| Aliarmas zonoje: | E131 | "BA" |
| Aliarmas zonoje: | E132 | "BA" |
| Aliarmas zonoje: | E133 | "BA" |
| Aliarmas zonoje: | E134 | "BA" |
| Aliarmas zonoje: | E135 | "BA" |
| Pažeista elektroninė apsauga | E137 | "TA" |
| Įsibrovimo į zoną | E139 | "BV" |
| Aliarmas zonoje: | E140 | "UA" |
| Sistemos gedimas (143) | E143 | "ET" |
| Išardytas signalizacijos įrenginys zonoje | E144 | "TA" |
| Išardytas signalizacijos įrenginys zonoje | E145 | "TA" |
| Aliarmas zonoje: | E146 | "BA" |
| Aliarmas zonoje: | E150 | "UA" |
| Zonoje | E151 | "GA" |
| Zonoje | E154 | "WA" |
| Folijos trūkis zonoje: | E155 | "BA" |
| Per aukšta sensoriaus | E158 | "KA" |
| Per žema sensoriaus | E159 | "ZA" |
| Zonoje | E162 | "GA" |
| Gaisro gedimas zonoje: | E200 | "FS" |
| Aliarmo stebėjimas | E220 | "BA" |
| Sistemos gedimas (300) | E300 | "YP" |
| Sutriko maitinimas kintama įtampa | E301 | "AT" |
| Išsikrovė akumuliatorius | E302 | "YT" |
| Sistemos gedimas (304) | E304 | "YF" |
| Sistema pasileido veikti iš naujo | E305 | "RR" |
| Pasikeitė sistemos programavimas | E306 | "YG" |
| Sistema nustojo funkcionuoti | E308 | "RR" |
| Akumuliatoriaus gedimas (309) | E309 | "YT" |
| Įžeminimo gedimas | E310 | "US" |
| Akumuliatorius nebeveikia | E311 | "YM" |
| Suveikė maksimalios srovės apsauga | E312 | "YP" |
| Vartotojas | E313 | "RR" |
| Sirenos gedimas | E320 | "RC" |
| Sistemos gedimas (321) | E321 | "YA" |
| Sistemos gedimas (330) | E330 | "ET" |
| Sistemos gedimas (332) | E332 | "ET" |
| Sistemos gedimas (333) | E333 | "ET" |
| Sistemos gedimas (336) | E336 | "VT" |
| Sistemos gedimas (338) | E338 | "ET" |
| Sistemos gedimas (341) | E341 | "ET" |
| Sistemos gedimas (342) | E342 | "ET" |
| Sistemos gedimas (343) | E343 | "ET" |
| Sistemos gedimas (344) | E344 | "XQ" |
| Sistemos ryšio klaida (350) | E350 | "YC" |
| Sistemos ryšio klaida (351) | E351 | "LT" |
| Sistemos ryšio klaida (352) | E352 | "LT" |
| Sistemos gedimas (353) | E353 | "YC" |
| Sistemos ryšio klaida (354) | E354 | "YC" |
| Sistemos gedimas (355) | E355 | "UT" |
| Gaisro gedimas zonoje: | E373 | "FT" |
| Gedimas zonoje: | E374 | "EE" |
| Gedimas zonoje: | E378 | "BG" |
| Gedimas zonoje: | E380 | "UT" |
| Nėra ryšio su bevieliu zonos | E381 | "US" |
| Belaidžio modulio gedimas (382) | E382 | "UY" |
| Pažeista elektroninė apsauga | E383 | "TA" |
| Išsikrovė baterija belaidėje zonoje: | E384 | "XT" |
| Gedimas zonoje: | E389 | "ET" |
| Gedimas zonoje: | E391 | "NA" |
| Gedimas zonoje: | E393 | "NC" |
| Vartotojas | E400 | "OP" |
| Vartotojas | E401 | "OP" |
| Automatinis išjungimas | E403 | "OA" |
| Atidėtas išjungimas. Vartotojas | E405 | "OR" |
| Vartotojas | E406 | "BC" |
| Nuotolinis išjungimas | E407 | "OP" |
| Greitas išjungimas | E408 | "OP" |
| Nuotoliniu būdu įjungta Nesaugoma | E409 | "OS" |
| Užklausa, kurią pateikė CSP | E411 | "RB" |
| Įvykdytas duomenų atsisiuntimas | E412 | "RS" |
| Vartotojui | E421 | "JA" |
| Vartotojui | E422 | "DG" |
| Priverstinė prieiga zonoje | E423 | "DF" |
| Vartotojui | E424 | "DD" |
| Vartotojui | E425 | "DR" |
| Ankstyvas išjungimas | E451 | "OK" |
| Vėlyvas įjungimas | E452 | "OJ" |
| Vartotojui | E453 | "CT" |
| Vartotojui | E454 | "CI" |
| Automatinis įjungimas nepavyko | E455 | "CI" |
| Dalinis įjungimas kodu: | E456 | "CG" |
| Išėjimo pažeidimas. Vartotojas | E457 | "EE" |
| Išjungimas po aliarmo, vartotojas: | E458 | "OR" |
| Recent arm | E459 | "CR" |
| Klaviatūra surinktas negaliojantis signalizacijos valdymo kodas | E461 | "JA" |
| Vartotojas | E464 | "CE" |
| Įrenginys išjungtas (501) | E501 | "RL" |
| Įrenginys įjungtas (520) | E520 | "RO" |
| Belaidis jutiklis zonoje: | E552 | "YS" |
| Zonos | E570 | "UB" |
| Zonos | E571 | "FB" |
| Zonos | E572 | "MB" |
| Zonos | E573 | "BB" |
| E574 | "CG" | |
| Zonos | E576 | "UB" |
| Zonos | E577 | "UB" |
| Vent zonos stebėjimas laikinai išjungtas | E579 | "UB" |
| Rankinis testavimo pranešimas | E601 | "RX" |
| Periodinis testavimo pranešimas | E602 | "RP" |
| Sisteminis įvykis (605) | E605 | "JL" |
| Sisteminis įvykis (606) | E606 | "LF" |
| Vartotojas | E607 | "TS" |
| Periodinis testavimo pranešimas su gedimu | E608 | "RY" |
| Sisteminis įvykis (622) | E622 | "JL" |
| Sisteminis įvykis (623) | E623 | "JL" |
| Vartotojas | E625 | "JT" |
| Netikslus Laikas/Data | E626 | "JT" |
| Pradėtas sistemos programavimas | E627 | "LB" |
| Sistemos programavimas baigtas | E628 | "LS" |
| Sisteminis įvykis (631) | E631 | "JS" |
| Sisteminis įvykis (632) | E632 | "JS" |
| Sistema neaktyvi (654) | E654 | "CD" |
| Medicininis pavojus atsistatė | R100 | "MH" |
| Asmeninis pavojus atsistatė | R101 | "QH" |
| Nebėra gaisro aliarmo zonoje: | R110 | "FH" |
| Vandens nuotėkio jutiklis po pavojaus atsistatė | R113 | "SH" |
| Užpuolimas zonoje: | R120 | "PH" |
| Užpuolimo signalą atšaukė vartotojas | R121 | "HH" |
| Užpuolimas zonoje: | R122 | "PH" |
| Užpuolimas zonoje: | R123 | "PH" |
| Užpuolimas zonoje: | R124 | "HH" |
| Užpuolimas zonoje: | R125 | "HH" |
| Zonos | R130 | "BH" |
| Zonos | R131 | "BH" |
| Zonos | R132 | "BH" |
| Zonos | R133 | "BH" |
| Zonos | R134 | "BH" |
| Zonos | R135 | "BH" |
| Elektroninės apsaugos grandinė po pažeidimo atsistatė | R137 | "TA" |
| Zonos | R140 | "UH" |
| Nebėra sistemos gedimo (143) | R143 | "UR" |
| Zonos | R144 | "TR" |
| Zonos | R145 | "TR" |
| Zonos | R146 | "BH" |
| Zonos | R150 | "UH" |
| Dujų jutiklis po pavojaus atsistatė | R151 | "GH" |
| Vandens nuotėkio jutiklis po pavojaus atsistatė | R154 | "WH" |
| Atsistatymas: Folijos trūkis zonoje: | R155 | "BH" |
| Sensoriaus | R158 | "KH" |
| Sensoriaus | R159 | "ZH" |
| CO dujų jutiklis po pavojaus atsistatė | R162 | "GH" |
| Nebėra gaisro gedimo zonoje: | R200 | "FV" |
| Aliarmo atkūrimo stebėjimas | R220 | "BH" |
| Nebėra sistemos gedimo (300) | R300 | "YA" |
| Maitinimas kintama įtampa atsikūrė | R301 | "AR" |
| Akumuliatorius įkrautas | R302 | "YR" |
| Nebėra sistemos gedimo (304) | R304 | "YG" |
| Sistemos atstatymas atkurtas zonoje: | R305 | "RR" |
| Akumuliatoriaus gedimas atsistatė (309) | R309 | "YR" |
| Nebėra įžeminimo gedimo | R310 | "UR" |
| Akumuliatorius po gedimo vėl veikia | R311 | "YR" |
| Įjungta apsauga nuo viršsrovių | R312 | "YQ" |
| Sirenos gedimas atsistatė (320) | R320 | "RO" |
| Nebėra sistemos gedimo (321) | R321 | "YH" |
| Nebėra sistemos gedimo (330) | R330 | "ER" |
| Nebėra sistemos gedimo (332) | R332 | "ER" |
| Nebėra sistemos gedimo (333) | R333 | "ER" |
| Nebėra sistemos gedimo (336) | R336 | "VR" |
| Nebėra sistemos gedimo (338) | R338 | "ER" |
| Nebėra sistemos gedimo (341) | R341 | "ER" |
| Nebėra sistemos gedimo (342) | R342 | "ER" |
| Nebėra sistemos ryšio klaidos (350) | R350 | "YK" |
| Nebėra sistemos gedimo (344) | R344 | "XH" |
| Nebėra sistemos ryšio klaidos (351) | R351 | "LR" |
| Nebėra sistemos ryšio klaidos (352) | R352 | "LR" |
| Nebėra sistemos gedimo (353) | R353 | "YK" |
| Nebėra sistemos ryšio klaidos (354) | R354 | "YK" |
| Nebėra sistemos gedimo (355) | R355 | "UJ" |
| Nebėra gaisro gedimo zonoje: | R373 | "FJ" |
| Nebėra gedimo zonoje: | R374 | "EA" |
| Nebėra gedimo zonoje: | R380 | "UJ" |
| Atkurtas ryšys su bevieliu zonos | R381 | "UR" |
| Nebėra belaidžio modulio gedimo (382) | R382 | "BR" |
| Elektroninės apsaugos grandinė po pažeidimo atsistatė | R383 | "TR" |
| Atsistatė baterija belaidėje zonoje: | R384 | "XR" |
| Nebėra gedimo zonoje: | R391 | "NS" |
| Nebėra gedimo zonoje: | R393 | "NS" |
| Vartotojas | R400 | "CL" |
| Vartotojas | R401 | "CL" |
| Automatinis įjungimas | R403 | "CA" |
| Nuotolinis įjungimas | R407 | "CL" |
| Greitas įjungimas | R408 | "CL" |
| Nuotoliniu būdu įjungta Saugoma | R409 | “CS” |
| Vartotojas | R441 | "CG" |
| Ankstyvas įjungimas | R451 | “CK” |
| Vėlyvas išjungimas | R452 | “CJ” |
| Vartotojui | R454 | “CI” |
| Dalinis įjungimas kodu: | R456 | "CG" |
| Įrenginys įjungtas (501) | R501 | "RG" |
| Įrenginys įjungtas (520) | R520 | "RC" |
| Recent disarm | R459 | “CR” |
| Belaidis jutiklis zonoje: | R552 | "YK" |
| Zonos | R570 | "UU" |
| Zonos | R571 | "FU" |
| Zonos | R572 | "MU" |
| Zonos | R573 | "BU" |
| R574 | "CF" | |
| Zonos | R576 | "UU" |
| Zonos | R577 | "UU" |
| Vent zonos stebėjimas po išjungimo vėl įjungtas | R579 | "UU" |
| Vartotojas | R607 | "TE" |
| Vartotojas | R625 | "JT" |
| Sistema aktyvi (654) | R654 | "CD" |